EasyManua.ls Logo

Cornelius IMD300-15A - Page 27

Cornelius IMD300-15A
30 pages
Print Icon
To Next Page IconTo Next Page
To Next Page IconTo Next Page
To Previous Page IconTo Previous Page
To Previous Page IconTo Previous Page
Loading...
Countertop Icemaker IMD Series Installation Manual
© 2004-2012, IMI Cornelius Inc. - 23 - Publication Number: 638085277INS
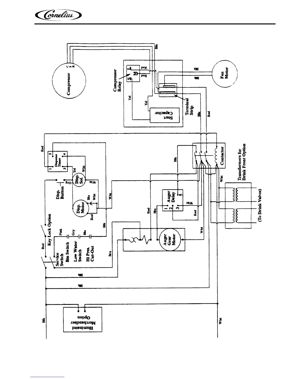
Figure 17. Schematic IMD 302-30, IMD 602-30 and IMD 602-90

Related product manuals