EasyManua.ls Logo

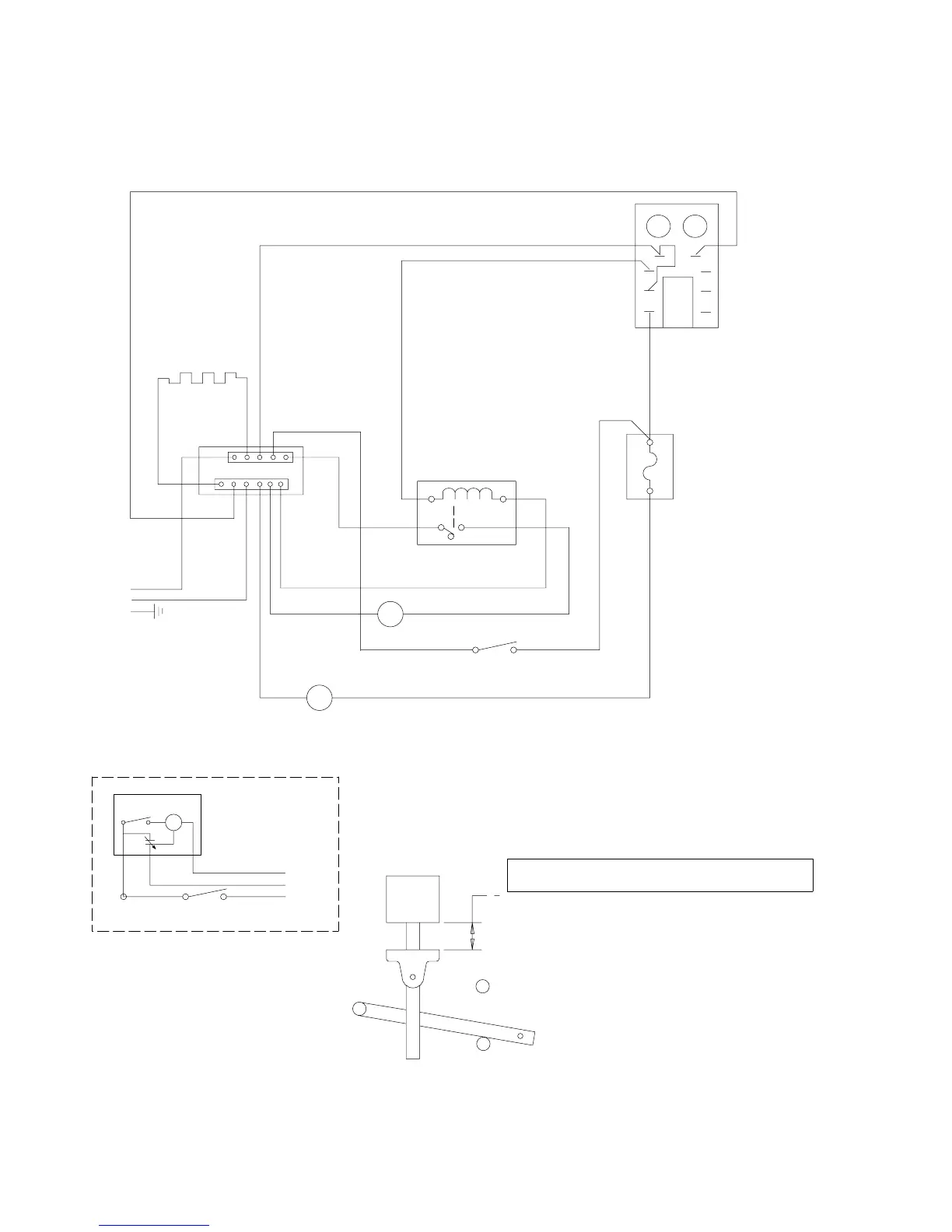
Cornelius TJ200 - Figure 3. Wiring Diagram Tj200; 250; 300-Bc, Ab, Abc, Kb, Kbc; Service Information

Cornelius TJ200
27 pages
Print Icon
To Next Page IconTo Next Page
To Next Page IconTo Next Page
To Previous Page IconTo Previous Page
To Previous Page IconTo Previous Page
Loading...
1291678
7
8
SERVICE INFORMATION
ELECTRIC SHOCK HAZARD. DISCONNECT POW-
ER BEFORE SERVICING UNIT.
DANGER!
SOLENOID
ADJUSTMENT
WHEN REPLACING SOLENOID
ADJUST TO 7/8 AS SHOWN
BEFORE TIGHTENING
MOUNTING SCREWS
TERMINAL
BLOCK
BLU
BRN
BLK
WHT
WHT
WHT
WHT
BLK
GATE
SOLENOID
AGITATOR
MOTOR
YEL
YEL
RED
DISPENSE
BUTTON
120V.
60HZ
1PH
WHT
RED
BRNYEL
OR
DISPENSE
SWITCH
PORTION
TIMER
OPTIONAL PORTION CONTROL
AGITATOR
MOTOR RELAY
1 1/4 AMP
TIME DELAY
FUSE
RED
BLK
AGITATOR
TIMER
C
NO
NC
WHT
WHT
FIGURE 3. WIRING DIAGRAM TJ200 / 250 / 300—BC, AB, ABC, KB, KBC

Table of Contents

Related product manuals