EasyManua.ls Logo

Coyote C1P28 - Wiring Diagram

Coyote C1P28
34 pages
Print Icon
To Previous Page IconTo Previous Page
To Previous Page IconTo Previous Page
Loading...
34
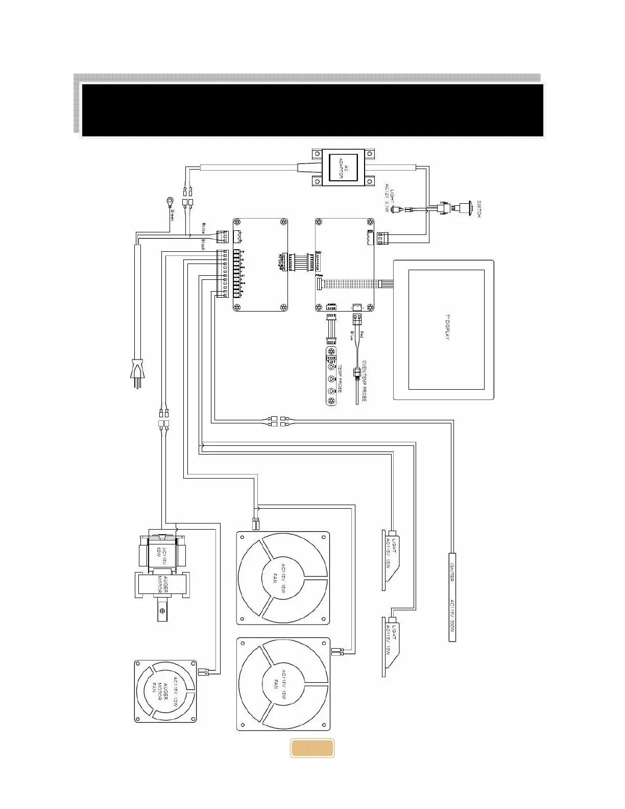
Wiring Diagram

Related product manuals