EasyManua.ls Logo

Craftsman 247.887821 - Page 26

Craftsman 247.887821
64 pages
Print Icon
To Next Page IconTo Next Page
To Next Page IconTo Next Page
To Previous Page IconTo Previous Page
To Previous Page IconTo Previous Page
Loading...
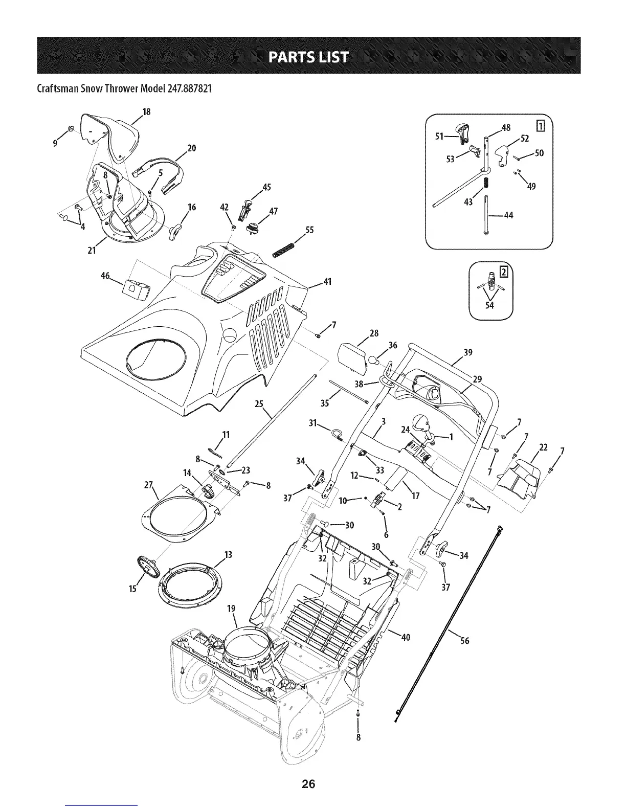
CraftsmanSnowThrowerModel247.887821
21
28
36
|
39
32
6
37
22 7
/
/
26

Related product manuals