EasyManua.ls Logo

Craftsman 272 - LIFT ASSEMBLY

Craftsman 272
60 pages
Print Icon
To Next Page IconTo Next Page
To Next Page IconTo Next Page
To Previous Page IconTo Previous Page
To Previous Page IconTo Previous Page
Loading...
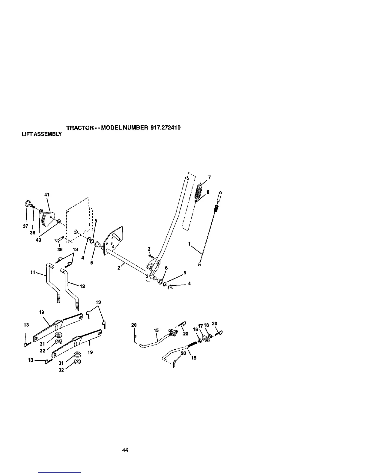
TRACTOR--MODELNUMBER917.272410
LIFTASSEMBLY
44

Table of Contents

Related product manuals