EasyManua.ls Logo

Craftsman 272 - PEERLESS TRANSAXLE - MODEL NUMBER 206-545 C

Craftsman 272
60 pages
Print Icon
To Next Page IconTo Next Page
To Next Page IconTo Next Page
To Previous Page IconTo Previous Page
To Previous Page IconTo Previous Page
Loading...
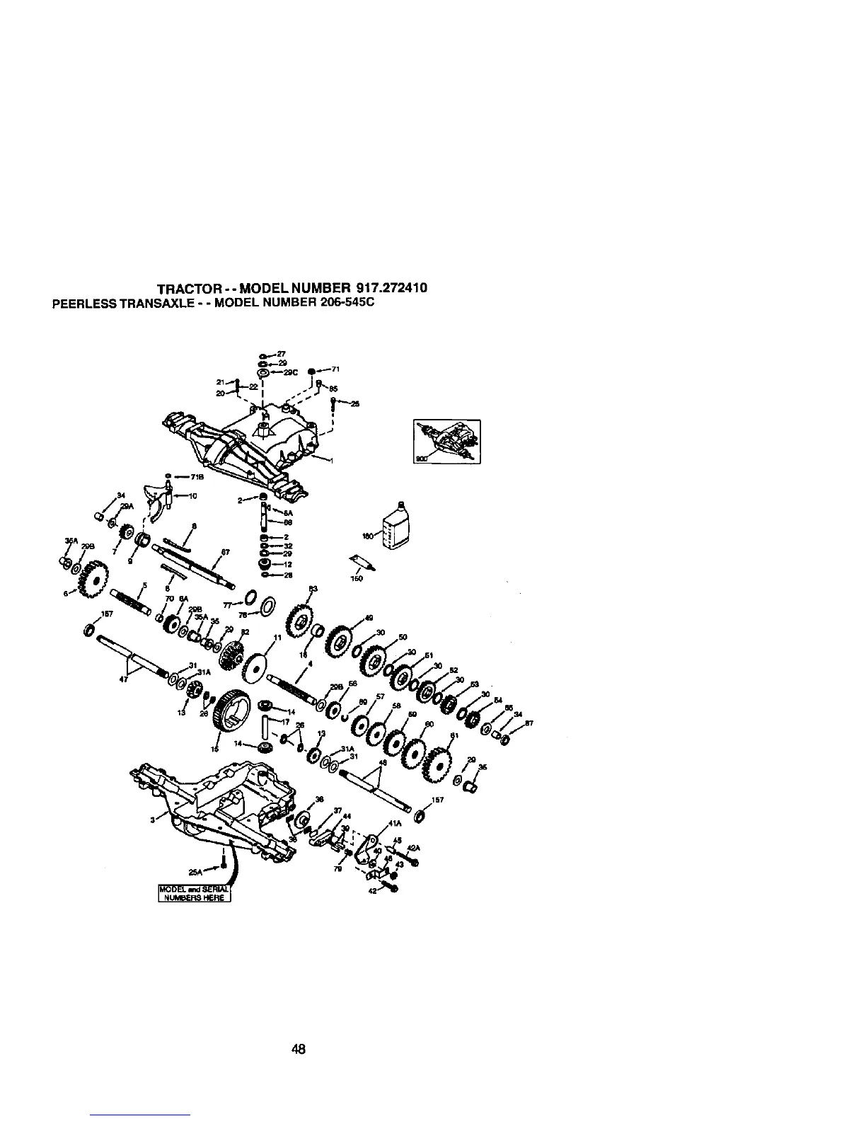
TRACTOR--MODELNUMBER917.272410
PEERLESSTRANSAXLE- - MODEL NUMBER206-545C
NUMBERS HERE
79
157
48

Table of Contents

Related product manuals