EasyManua.ls Logo

Craftsman 580.326310 - Alternator - Exploded View & Parts List

Craftsman 580.326310
60 pages
Print Icon
To Next Page IconTo Next Page
To Next Page IconTo Next Page
To Previous Page IconTo Previous Page
To Previous Page IconTo Previous Page
Loading...
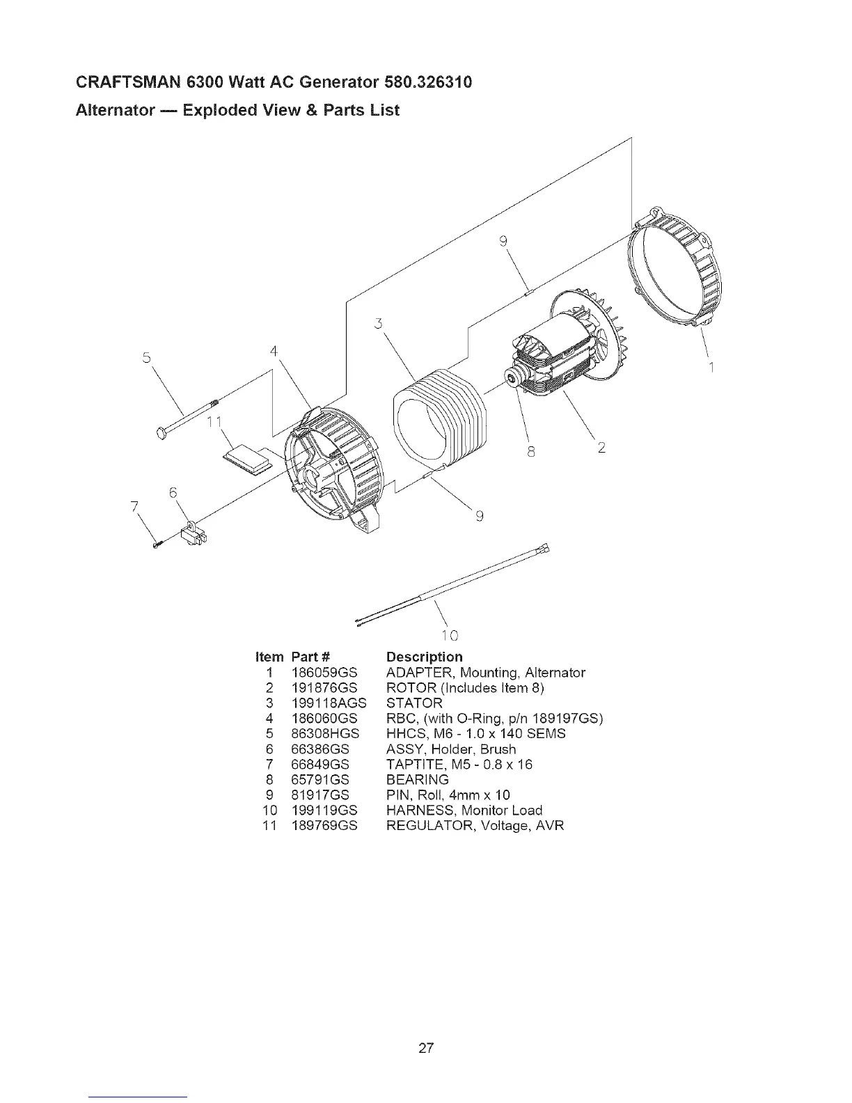
CRAFTSMAN 6300 Watt AC Generator 580.326310
Alternator m Exploded View & Parts List
5
\
item Part #
1 186059GS
2 191876GS
3 199118AGS
4 186060GS
5 86308HGS
6 66386GS
7 66849GS
8 65791GS
9 81917GS
10 199119GS
11 189769GS
9
10
Description
ADAPTER, Mounting, Alternator
ROTOR (Includes Item 8)
STATOR
RBC, (with O-Ring, pin 189197GS)
HHCS, M6- 1.0 x 140 SEMS
ASSY, Holder, Brush
TAPTITE, M5 - 0.8 x 16
BEARING
PIN, Roll, 4mm x 10
HARNESS, Monitor Load
REGULATOR, Voltage, AVR
27

Related product manuals