EasyManua.ls Logo

Creda CEP050E - Page 9

Creda CEP050E
28 pages
Print Icon
To Next Page IconTo Next Page
To Next Page IconTo Next Page
To Previous Page IconTo Previous Page
To Previous Page IconTo Previous Page
Loading...
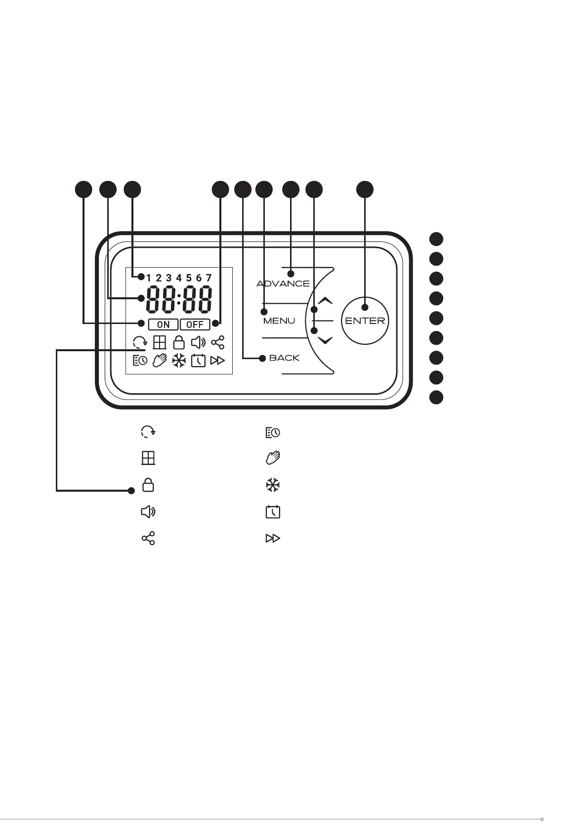
The controls are located on the top of the heater. The heater is tted with an adjustable electronic
controller consisting of a display screen and six touch sensitive buttons.
The heater is tted with an adjustable thermostat enabling the room temperature to be
controlled. The minimum room temperature is 7
o
C. The maximum temperature is set to 26
o
C
by default, however, this can be increased to 32
o
C if required. A temperature of 21
o
C would be
comfortable for most people.
Note: Your heater may produce some noise during operation. This noise is caused by the
expansion and contraction of the element as it changes temperature, and is normal for this
type of product. Whilst the noise produced is usually very quiet, certain environmental factors
can make it more noticeable, such as hard ooring or minimal furnishings.
Note: Should the heater fail to operate, this may be due to the room temperature being higher
than the thermostat setting.
Lock
Connectivity
Sound
Open Window
Adaptive Start
Manual Mode
Advance
Set Time & Date
Frost Protect
Schedule
8 976321 4 5
1
Indicator “ON”
2
Display Screen
3
Days of the Week
4
Indicator “OFF”
5
Back Button
6
Menu Button
7
Advance Button
8
Up & Down
9
Enter
9

Related product manuals