EasyManua.ls Logo

CS THERMOS BRAVA - 13. Programming; Main Settings

CS THERMOS BRAVA
18 pages
Print Icon
To Next Page IconTo Next Page
To Next Page IconTo Next Page
To Previous Page IconTo Previous Page
To Previous Page IconTo Previous Page
Loading...
ENGLISH
12
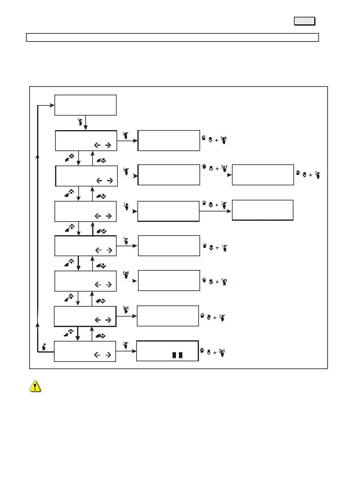
13. PROGRAMMING
MAIN SETTINGS
Use the keys as instructed to access the desired setting
The menu “LOADallows to vary the quantity of combustible to be loaded and it is subdivided
into 3 levels of increase (+) and 3 levels of decrease (-): each level consists of 0,2 seconds,
therefore a total of +/- 0,6 seconds.
Any variation made remains in permanent memory and it is simultaneously programmed on all 6 power
levels of the stove.
Sun 09:00 20,0°C
T. room
Hours
Ignition
Function
Combustible
Combustible
Pellet1
Heating air Heating air
Trigger
T. room
Day of the
Trigger
Off 5 25,0°C
ESC SET
ESC SET
ESC SET
ESC SET
ESC SET
ESC SET
01
modulation YES
25,0°C
week Sun
timer YES
ESC
ON00:00 OFF00:00
Load
Load
ESC SET
- _ _ _ 0 _ _ _ +
00:00
See specific
chapter
Hors
Timer01 mtwtfss

Related product manuals