EasyManua.ls Logo

CSI SK15 - Control Valve Power Assembly

Default Icon
28 pages
Print Icon
To Next Page IconTo Next Page
To Next Page IconTo Next Page
To Previous Page IconTo Previous Page
To Previous Page IconTo Previous Page
Loading...
16
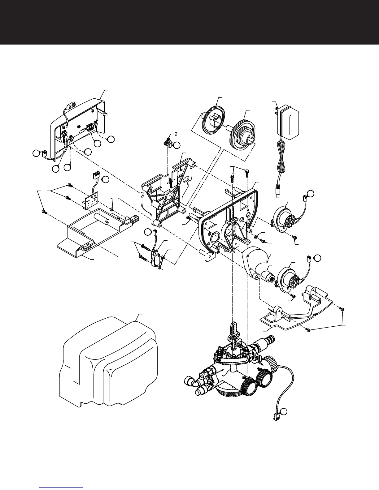
Control Valve Powerhead Assembly
3
4
5
7
8
10
9
11
13
14
15
16
16
18
18
19
17
20
23
22
21
6
LETTERS IN DIAGRAM REPRESENT WIRING CONNECTIONS
E
M
S
C
1
E
P
P
M
C
S
12
12
F
F

Related product manuals