EasyManua.ls Logo

Cuppone Pizzaform - Wiring Diagram; Wiring Diagram Component Identification

Cuppone Pizzaform
27 pages
Print Icon
To Next Page IconTo Next Page
To Next Page IconTo Next Page
To Previous Page IconTo Previous Page
To Previous Page IconTo Previous Page
Loading...
25
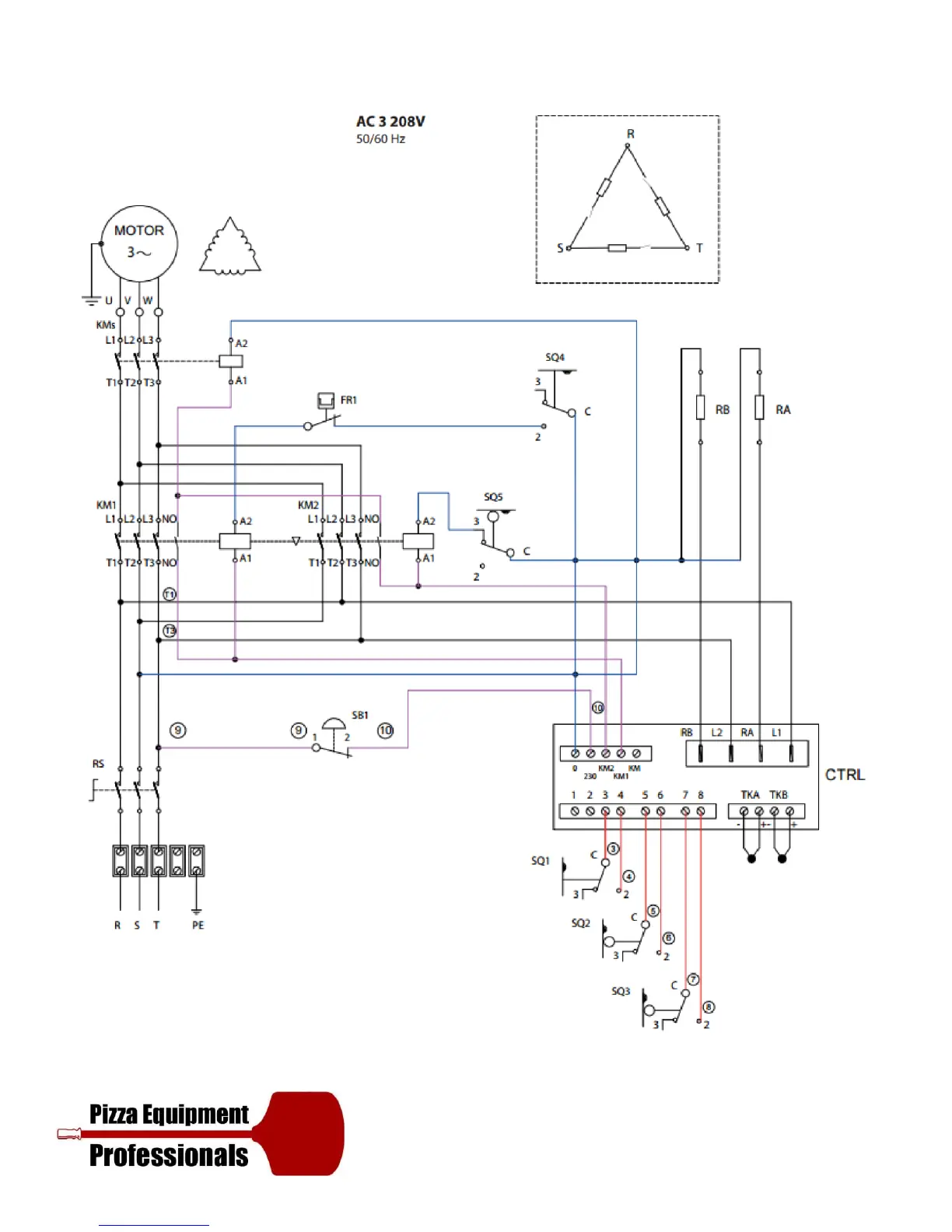
WIRING DIAGRAM
Protection at the Expense
of the Client.
Cable must be purchased at the
expense of the client. Available
to purchase from Pizza
Equipment Professionals