EasyManua.ls Logo

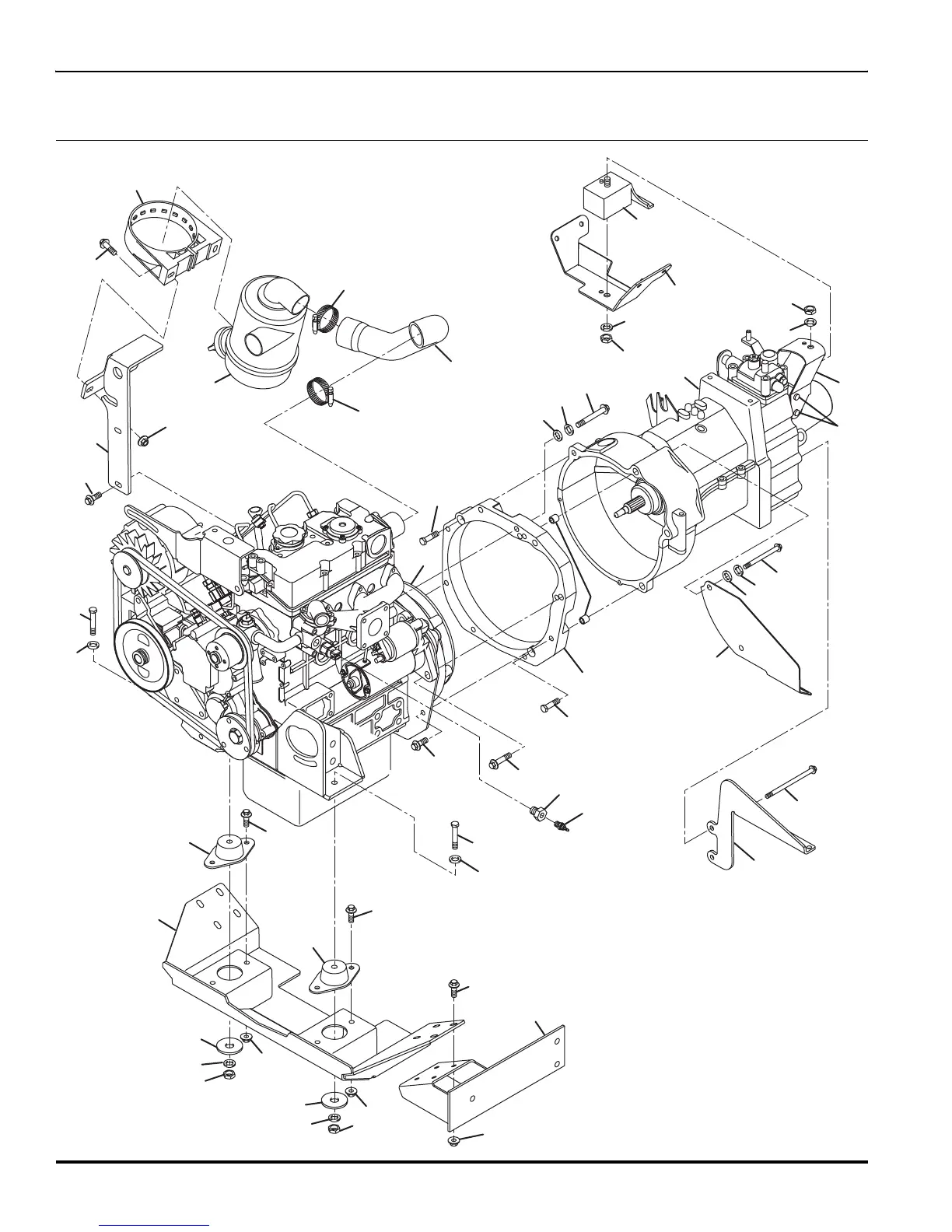
Cushman 84044 - Diesel Engine and Transmission Mounting

Cushman 84044
186 pages
Print Icon
To Next Page IconTo Next Page
To Next Page IconTo Next Page
To Previous Page IconTo Previous Page
To Previous Page IconTo Previous Page
Loading...
74
2
3
5
5
5
6
6
7
7
8
8
8
9
9
10
10
12
12
1
2
11
11
11
11
13
14
16
21
21
22
2
3
2
4
27
28
29
39
40
30
31
33
4
4
17
15
25
26
34
37
38
18
18
19
20
35
36
32
1
TURF TRUCKSTER
20.1 Diesel Engine and Transmission Mounting
Serial No. 84043 All
Serial No. 84044 All

Table of Contents

Related product manuals