EasyManua.ls Logo

Cushman 84044 - Front and Shifter Cover

Cushman 84044
186 pages
Print Icon
To Next Page IconTo Next Page
To Next Page IconTo Next Page
To Previous Page IconTo Previous Page
To Previous Page IconTo Previous Page
Loading...
112
2
2
2
3
3
3
3
3
5
5
6
7
8
9
10
11 / 12
13
14
16
18
22
2
3
19
20
21
4
4
17
15
1
TURF TRUCKSTER
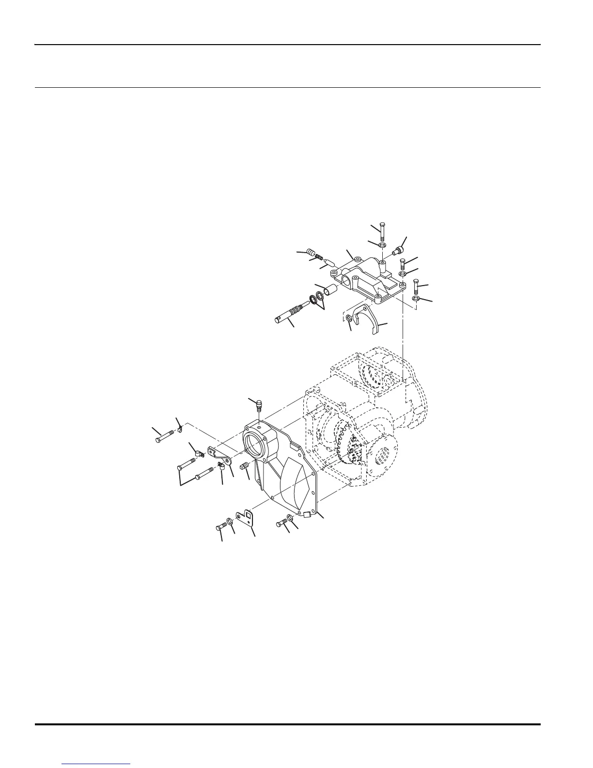
41.1 Front and Shifter Cover
14.21:1 Differential (894509)
11.16:1 Differential (893491)
Serial No. All

Table of Contents

Related product manuals