EasyManua.ls Logo

Cushman 84044 - Gas Fuel System

Cushman 84044
186 pages
Print Icon
To Next Page IconTo Next Page
To Next Page IconTo Next Page
To Previous Page IconTo Previous Page
To Previous Page IconTo Previous Page
Loading...
94
C
C
2
2
19
20
21
22
23
24
27
28
29
30
25
26
32
2
2
2
2
2
2
1
3
4
5
6
7
8
8
8
8
8
8
8
8
9
10
11
12
13
14
15
16
17
18
45
31
33
34
34
36
36
37
38
38
35
39
40
41
42
43
44
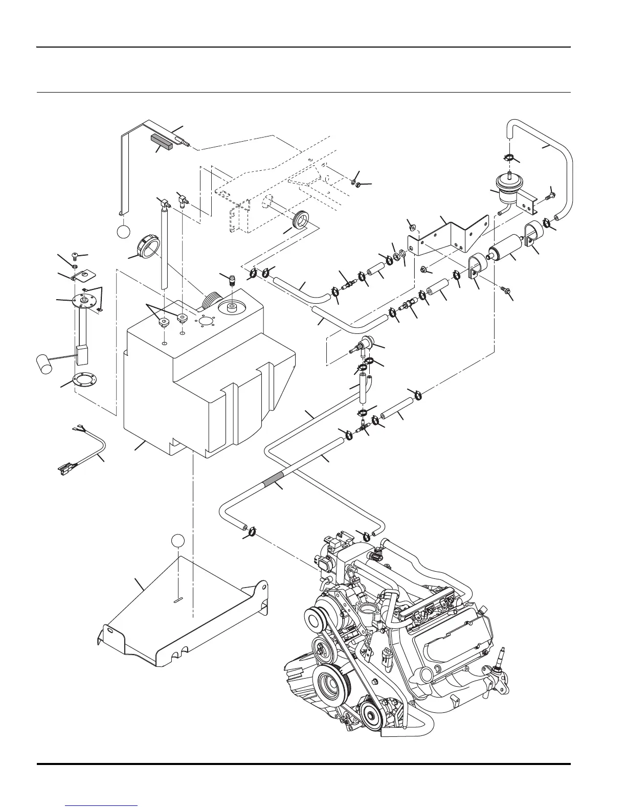
TURF TRUCKSTER
32.1 Gas Fuel System
Serial No. 898627 All
Serial No. 898628 All

Table of Contents

Related product manuals