EasyManua.ls Logo

Cushman 84044 - Diesel Engine Electrical Schematic

Cushman 84044
186 pages
Print Icon
To Next Page IconTo Next Page
To Next Page IconTo Next Page
To Previous Page IconTo Previous Page
To Previous Page IconTo Previous Page
Loading...
124
Pk
Pk
Pk Pk
Wh/Gn
Wh
Bk
Bk
Bk
Gn
Gn
Wh/Bk
Pk/Bu
Wh/Ye
Wh/Rd
Rd/Bk
Rd
Rd Rd
Og
Main Harness to
Engine Harness
Connector 1
Main Harness to
Engine Harness
Connector 2
Main Harness to
Engine Harness
Connector 3
B
Bk
Bk
Bk
Bk
Rd
Bk
Rd
Rd Wh/Gn
Gn
Ye/Rd
Ye
Bk
Ye/Rd
Bk
Ye/Rd
Bk
Ye
Bk
Gn
AI S
ACC - B + A
OFF - None
ON - B +A+I
Start - B+I+S
10 A
Automatic
Transmission
Controller
Heater
Accessory
Accessory
Connector 1
Accessory
Connector 2
Accessory
Connector 3
Accessory
Connector 4
Brake Fluid
Level Switch
Dash
Panel
10 A
10 A
20 A
Ignition
Switch
Clutch
Switch
Wh/Bn
Bn
Rd/Bk
Rd/Bk
Wh/Bk
Wh/Ye
Wh/Og
Wh
Og
Pk/Bu
Gn/Bk
Wh/Rd
Ye/Bk
Bk
Wh/Bu
Wh/Bu
Gn
1
2
3
4
5
6
7
8
9
10
11
12
13
14
15
16
17
18
Overheat
Alarm
Power
Point
+ 12 V
Overheat
Alarm
Right Turn
Diesel Tach Input
Tachometer
Voltmeter
Temp Gauge
Fuel Guage
Left Turn
Parking Brake
Fuel Sender
Oil Pressure
High Beam
Pre-Heat
- 12 V
Brake Fluid Level
Gas Tach Input
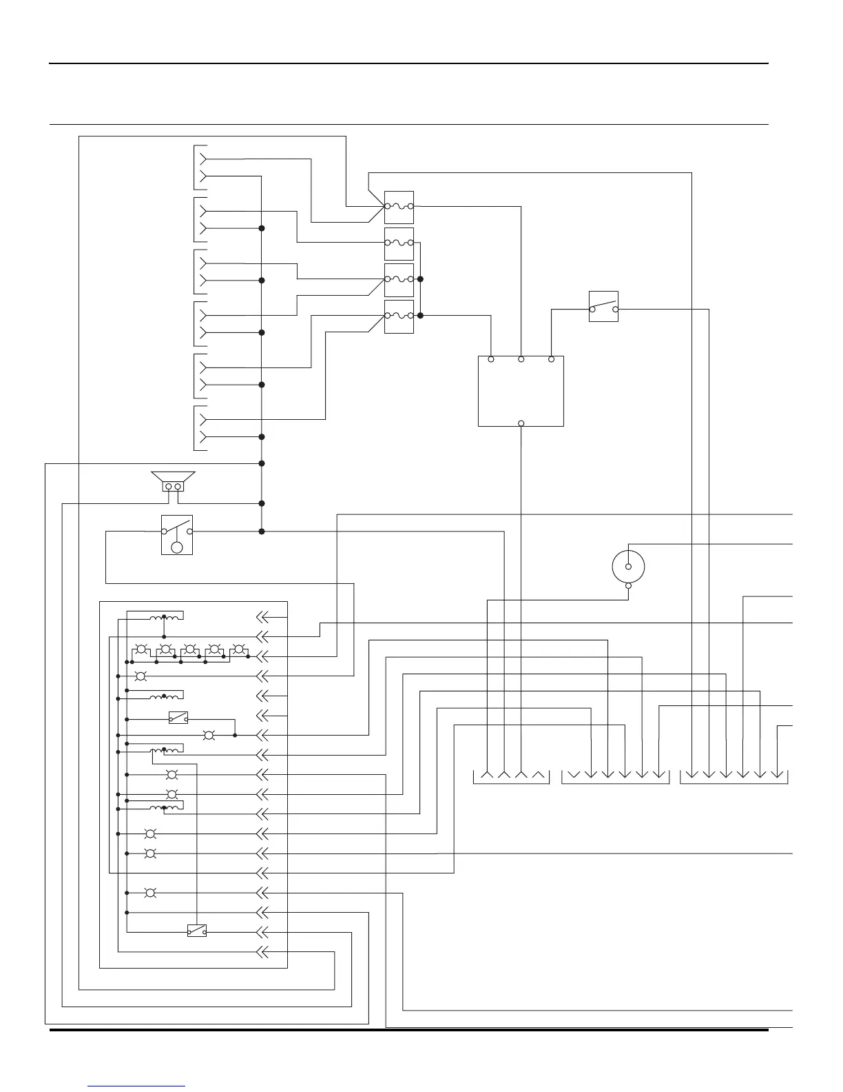
TURF TRUCKSTER
47.1 Diesel Engine Electrical Schematic
Serial No. 84043 All
Serial No. 84044 All

Table of Contents

Related product manuals