EasyManua.ls Logo

Cushman 84044 - Gas Engine Schematic

Cushman 84044
186 pages
Print Icon
To Next Page IconTo Next Page
To Next Page IconTo Next Page
To Previous Page IconTo Previous Page
To Previous Page IconTo Previous Page
Loading...
136
1
2
3
4
5
6
7
8
9
10
11
12
1
2
3
4
5
6
7
8
9
10
11
12
13
14
15
16
17
18
19
20
21
22
23
24
25
26
27
28
29
30
31
32
33
34
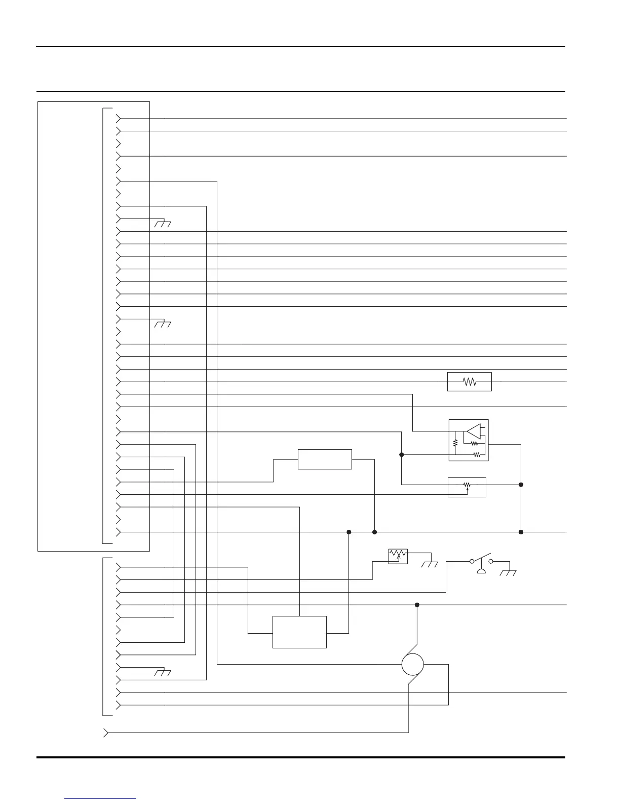
ECU
Ignition Resistor
Pressure Sensor
Throttle Sensor
Manifold
Temperature
Oil Pressure
Sender
Temperature
Sender
Engine
Harness
Connector 1
Engine
Harness
Connector 2
Br/Bk
Bn/Wh
Gy
Og/Gn
Wh/Gn
Bk/Bu
Bn
Rd/Bu
Rd
Rd/Ye
Rd/Pk
Wh
Bn/Rd
Bk
Wh/Rd
Wh
Wh/Bk
Gn
Gn/Ye
Rd/Bu
Gn/Rd
Gn/Ye
Gn/Rd
Gn/Rd
Bu/Bk
Bu/Wh
Bu/Rd
Gn/Bk
Gn/Bk
Gy/Ye
Gy/Ye
Gn/Wh
Ye/Wh
Ye/Wh
Pk
Pk
Ye/Bk
Ye/Bk
Bk/Wh
Bk/Wh
Bu/Rd
Bu/Wh
Bu/Bk
Bk/Ye
Wh/Gn
Bk/Rd
Wh/Rd
Wh/Gn
Wh/Gn
Bu/Ye
Bu/Ye
Bu/Ye
Bu/Ye
Bu/Ye
Br/Bk
Bn/Wh
Gy
Bn
Rd/Bu
Rd
Rd/Ye
Rd/Pk
Wh
Bn/Rd
Wh/Rd
Wh
Wh/Bk
Rd/Bu
Bk/Wh
Bk/Rd
Bu/Ye
Bu/Ye
Ye/Bk Wh/Rd
Manifold
Temperature
Sensor
Alt
Bu/Ye
TURF TRUCKSTER
51.1 Gas Engine Schematic

Table of Contents

Related product manuals