EasyManua.ls Logo

Cushman 84044 - Page 173

Cushman 84044
186 pages
Print Icon
To Next Page IconTo Next Page
To Next Page IconTo Next Page
To Previous Page IconTo Previous Page
To Previous Page IconTo Previous Page
Loading...
137
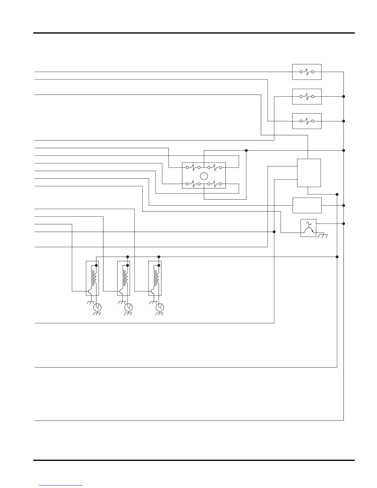
Oxygen
Sensor
Knock
Sensor
Crank Position
Sensor
Coil
1
Coil
2
Coil
3
M
Injector #1
Injector #2
Injector #3
Gy
Br/Bk
Bn/Wh
Bn
Rd/Bu
Rd/Ye
Rd
Rd/Pk
Wh
Br/Bk
Bn/Wh
Gy
Bn
Rd/Bu
Rd
Rd/Ye
Rd/Pk
Wh
Bn/Rd
Wh/Rd
Wh
Wh/Bk
Rd/Bu
Bk/Wh
Bk/Rd
Bu/Ye
Rd/Bu
Bk/Wh
Bk/WhBk/WhBk/Wh
Bk/Rd
Bk/Rd
Bk/Rd
Bk/Rd
Bk/Rd
Bk/Rd
Bk/Rd
Bk/Rd
Bu/Ye
Bu/YeBu/Ye
TURF TRUCKSTER

Table of Contents

Related product manuals