EasyManua.ls Logo

Cushman 84044 - Page 154

Cushman 84044
186 pages
Print Icon
To Next Page IconTo Next Page
To Next Page IconTo Next Page
To Previous Page IconTo Previous Page
To Previous Page IconTo Previous Page
Loading...
118
2
3
3
3
5
6
6
7
8
9
10
12
11
13
14
16
18
19
20
21
22
23
24
27
28
29
30
31
3
3
4
4
17
15
25
26
34
37
38
39
35
36
32
1
1
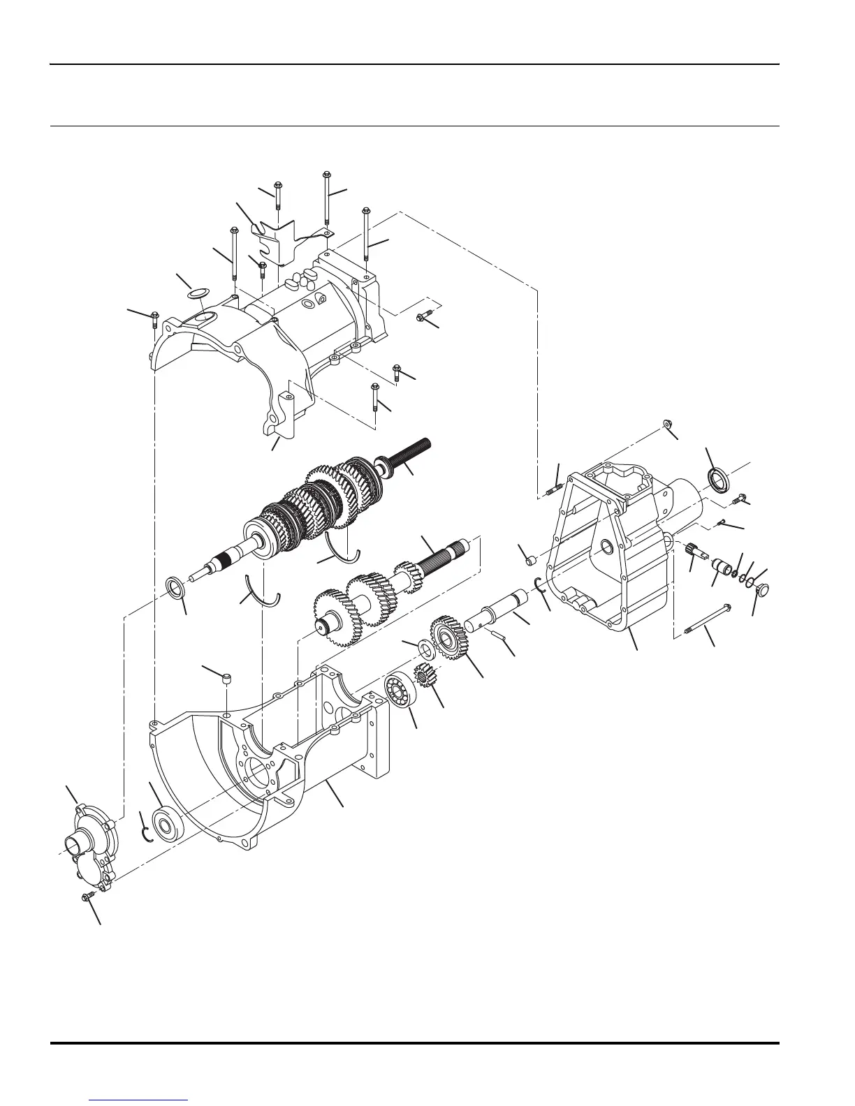
TURF TRUCKSTER
44.1 Transmission Case
Diesel Engine Only
Serial No. 84043 - All
Serial No. 84044 - All

Table of Contents

Related product manuals