EasyManua.ls Logo

CUTES CT-2000ES - Standard external connection diagram

CUTES CT-2000ES
57 pages
Print Icon
To Next Page IconTo Next Page
To Next Page IconTo Next Page
To Previous Page IconTo Previous Page
To Previous Page IconTo Previous Page
Loading...
6
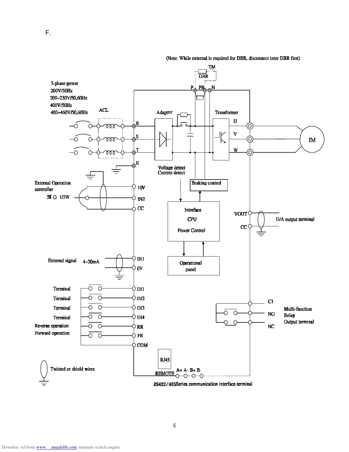
F. Standard external connection diagram
D/A output terminal
D/A output terminalD/A output terminal
D/A output terminal
Braking control
Braking controlBraking control
Braking control
Intreface
IntrefaceIntreface
Intreface
CPU
CPUCPU
CPU
Power Control
Power ControlPower Control
Power Control
Operational
OperationalOperational
Operational
panel
panelpanel
panel
IM
IMIM
IM
DBR
DBRDBR
DBR
P
PP
P
PR
PRPR
PR
N
NN
N
TM
TMTM
TM
U
UU
U
V
VV
V
W
WW
W
R
RR
R
S
SS
S
T
TT
T
E
EE
E
IN1
IN1IN1
IN1
0
00
0
V
VV
V
DI1
DI1DI1
DI1
DI2
DI2DI2
DI2
DI3
DI3DI3
DI3
DI4
DI4DI4
DI4
RR
RRRR
RR
COM
COMCOM
COM
FR
FRFR
FR
VOU
VOUVOU
VOUT
TT
T
CC
CCCC
CC
C1
C1C1
C1
NO
NONO
NO
NC
NCNC
NC
(Note: While external is required for DBR, disconnect inter DBR first)
(Note: While external is required for DBR, disconnect inter DBR first)(Note: While external is required for DBR, disconnect inter DBR first)
(Note: While external is required for DBR, disconnect inter DBR first)
Transformer
TransformerTransformer
Transformer
Adapt
AdaptAdapt
Adapt
or
Voltage detect
Voltage detectVoltage detect
Voltage detect
Current detect
Current detectCurrent detect
Current detect
3
33
3-
--
-phase power
phase powerphase power
phase power
200
200200
200V/50Hz
V/50HzV/50Hz
V/50Hz
200~230
200~230200~230
200~230V/50,60Hz
V/50,60HzV/50,60Hz
V/50,60Hz
400
400400
400V/50Hz
V/50HzV/50Hz
V/50Hz
400~460
400~460400~460
400~460V/50,60Hz
V/50,60HzV/50,60Hz
V/50,60Hz
External Operation
External OperationExternal Operation
External Operation
controller
controllercontroller
controller
5
55
5
K
KK
K
Ω
ΩΩ
Ω
1/2
1/21/2
1/2
W
WW
W
External signal
External signalExternal signal
External signal
4~20mA
4~20mA4~20mA
4~20mA
Terminal
TerminalTerminal
Terminal
Reverse operation
Reverse operationReverse operation
Reverse operation
Forward operation
Forward operationForward operation
Forward operation
Multi
MultiMulti
Multi-
--
-function
function function
function
Relay
RelayRelay
Relay
Output terminal
Output terminalOutput terminal
Output terminal
Twisted or shield wires
Twisted or shield wiresTwisted or shield wires
Twisted or shield wires
10
1010
10
V
VV
V
IN2
IN2IN2
IN2
CC
CCCC
CC
ACL
ACLACL
ACL
RJ45
RJ45RJ45
RJ45
REMOTE
REMOTEREMOTE
REMOTE
RS422/485
RS422/485 RS422/485
RS422/485
Series communica
Series communicaSeries communica
Series communication interface terminal
tion interface terminaltion interface terminal
tion interface terminal
A+ A
A+ AA+ A
A+ A-
--
- B+
B+ B+
B+ B
BB
B-
--
-
Terminal
TerminalTerminal
Terminal
Terminal
TerminalTerminal
Terminal
Terminal
TerminalTerminal
Terminal

Related product manuals