EasyManua.ls Logo

Cyrus 6 DAC - Page 45

Cyrus 6 DAC
50 pages
Print Icon
To Next Page IconTo Next Page
To Next Page IconTo Next Page
To Previous Page IconTo Previous Page
To Previous Page IconTo Previous Page
Loading...
C406
C407
FS401
R401
33k
R404
33k
D405
BAS19
D406
BAS19
R402
750R
R403
15k
GND
GND
I/P
O/P
VR402
LM317
I/P
O/P
VR403
LM337
GND
VDD
+VCC
-VCC
+15V
-15V
MAINS
T-C-ERROR
THERMAL SENSOR
R421
1R FUSIBLE
C415
1000uF 16V
C414
100nF 100V
GND
C401
100nF 100V
C402
100nF 100V
C403
100nF 100V
C404
100nF 100V
GND
D407
1SR154-400
D408
1SR154-400
C409
100nF
VDD
I/P
O/P
G
VR401
7805
AMPIN
GND
C408
100nF
TH401
TH 33k
C430
100nF
C431
100nF
R439
10k
R440
10k
R441
22k
VDD
R442
10k
GND
R443
5k1
R444
5k1
R445
470R
R446
470R
D448
DF04S
+PSX
-PSX
+PSX
-PSX
GND
D400
RS2004M
C416
220uF
16V
C420
220uF
16V
D401
1SR154-400
D403
1SR154-400
D402
1SR154-400
D404
1SR154-400
AMPIN
1
VP
2
GND
3
VN
4
PSXO
5
CON400
T400B
IMX1
T400A
IMX1
R409
22k
R405
22k
R420
1k
R419
1k
R418
22k
R417
22k
T401
BC846C
T405
BC856C
C424
220nF
C428
220nF
D413
BAS19
D416
BAS19
R437
47k
C429
470pF
GND
VDD
PH_IN
T406
2STN1360
T402
2STN2540
FS403
MAINS
INPUT
MAINS TO MAIN
TRANSFORMER
+15V
-15V
+5VOUT
GND
GND
VDD_PRE
VDD_PRE
GND
/Standby
R471
1k
R470
3k9
PH_L
PH_R
CONNECTION TO SUB
PCB
VDD
+LV_UNREG
GND
RL401
PH_MUTE
CON420
SIL_12W
1
2
3
4
5
6
7
8
1.6VA PCB TRANSFORMER
P
S
115v
115v
TR400
+5VOUT FOR VOLUME
CHIP
+LV_UNREG FOR
BACKLITE
D451
1SR154-400
D452
1SR154-400
D453
1SR154-400
D454
1SR154-400
C450
2200uF 35V
C451
2200uF 35V
GND
R474
3k0
T408B
IMX1
T408A
IMX1
/PSXO
PSXO LINE
D470
DF04S
GND
RED
WHITE
GREY
YELLOW
C400
47uF/16V
C411
47uF/16V
C405
33uF/25V
C417
47uF/16V
R410
0R
R411
0R
R412
0R
FOR 115V MAINS FIT R410 AND R411
FOR 230V MAINS FIT R412
1
2
3
CON412
1
2
3
CON411
R448
470k
R450
470k
R451
27k
R454
160k
R453
27k
R452
130k
R455
10k
5
6
7
IC402B LM393
3
2
1
IC402A
LM393
+VCC
-VCC
GND
POWER SUPPLY 1/20.4
19V > TRIP > 60V
-42V
D431
BAS19
V-ERROR
+5VOUT
11
10
IC506E
74HC14
+VCC
-VCC
-15V
+15V
/V-ERROR
R475
1k
D472
BAS19
SK401
RELAY
TRIGGER
R476
2k7
+
12V DC
-
IC100
D460
BAV70
R449
1M
R408
1M
C434
100nF
FS403 FUSE VALUES
115V CYRUS 8 DAC T4.0AL
115V CYRUS 6 DAC T1.25AL
230V CYRUS 8 DAC T2AL
230V CYRUS 6 DACT800mAL
F6.3AL
GND
GREEN
C410
100nF 100V
1
2
C440
100nF 100V
GND
BLACK
1
2
3
4
5
6
CON450
CONPOWER6
RED
WHITE
GREY
YELLOW
FS404
FUSE T1A
FS405
FUSE T1A
C462
100n
+15V
GND
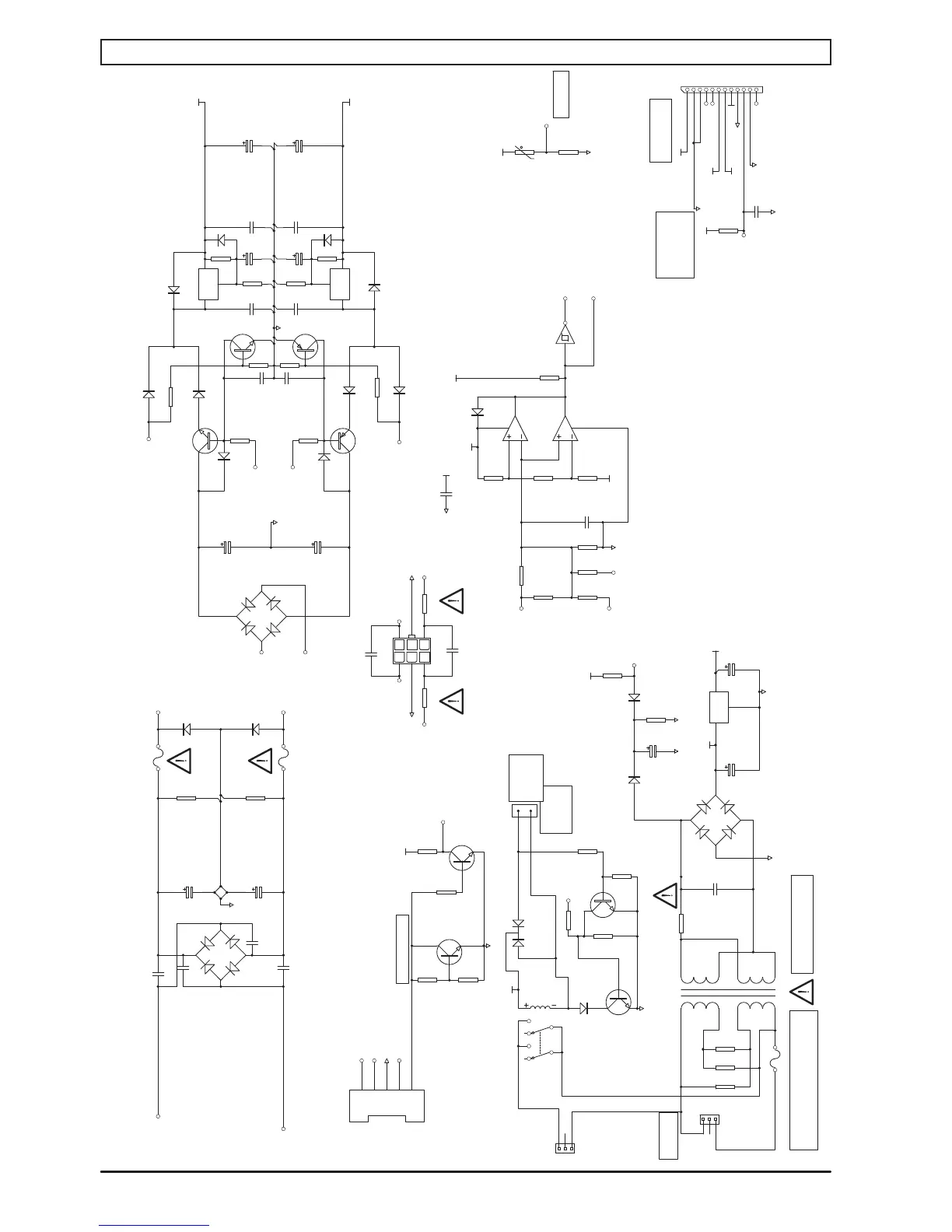
Main PCB power supplies, protection logic
Main PCB schematic diagram
Cyrus 6 DAC, Cyrus 8 DAC amplifier service manual Issue 1© Cyrus Audio Ltd Jun 2014
43
FS402
F6.3AL

Other manuals for Cyrus 6 DAC

Related product manuals