EasyManua.ls Logo

Da-Lite Large advantage electrol - 120 V Wiring Diagram with Optional Built-in Low Voltage Control

Da-Lite Large advantage electrol
12 pages
Print Icon
To Next Page IconTo Next Page
To Next Page IconTo Next Page
To Previous Page IconTo Previous Page
To Previous Page IconTo Previous Page
Loading...
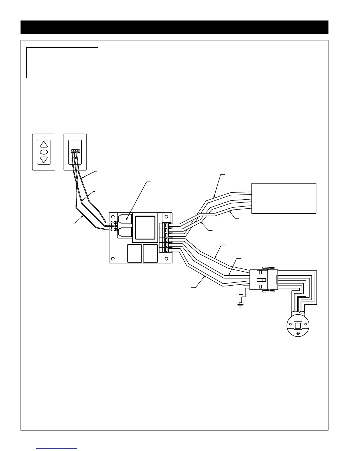
TENSIONED LARGE ADVANTAGE
®
ELECTROL
®
INSTRUCTIONS
“EYE” PORT
PLUG “IR” OR “RF”
REMOTE HERE
POWER INPUT
120VAC / 60HZ
120V WIRING DIAGRAM
WITH OPTIONAL BUILT-IN
LOW VOLTAGE CONTROL
DOWN
STOP
UP
NOTE: DO NOT USE 3-POSITION HIGH
VOLTAGE ROCKER SWITCH WITH
THIS UNIT! THIS WILL DAMAGE THE
LOW VOLTAGE CONTROL BOARD.
BLACK
(HOT)
WHITE
(COMMON)
WHITE
(COMMON)
BLACK
(DOWN)
RED
(UP)
GREEN
(GROUND)
SCREEN
MOTOR
RED
(UP)
WHITE
(COMMON)
BLACK
(DOWN)
FRONT OF
WALL
SWITCH
BACK OF
WALL
SWITCH
GREEN
(GROUND)
WHITE (COMMON
BLACK (DOWN)
RED (UP)
GREEN (GROUND)
NOTE: 20-24AWG WIRE RECOMMENDED
FOR CONNECTING WALL SWITCH TO
LOW VOLTAGE CONTROLLER.
5

Related product manuals