EasyManua.ls Logo

Da-Lite Large Cosmopolitan Electrol - Large Cosmopolitan Electrol Installation for 120 V Screens with A Built-In Low Voltage Control

Da-Lite Large Cosmopolitan Electrol
12 pages
Print Icon
To Next Page IconTo Next Page
To Next Page IconTo Next Page
To Previous Page IconTo Previous Page
To Previous Page IconTo Previous Page
Loading...
5
Large Cosmopolitan
®
Electrol
®
Installation for 120V Screens with A Built-In Low Voltage Control
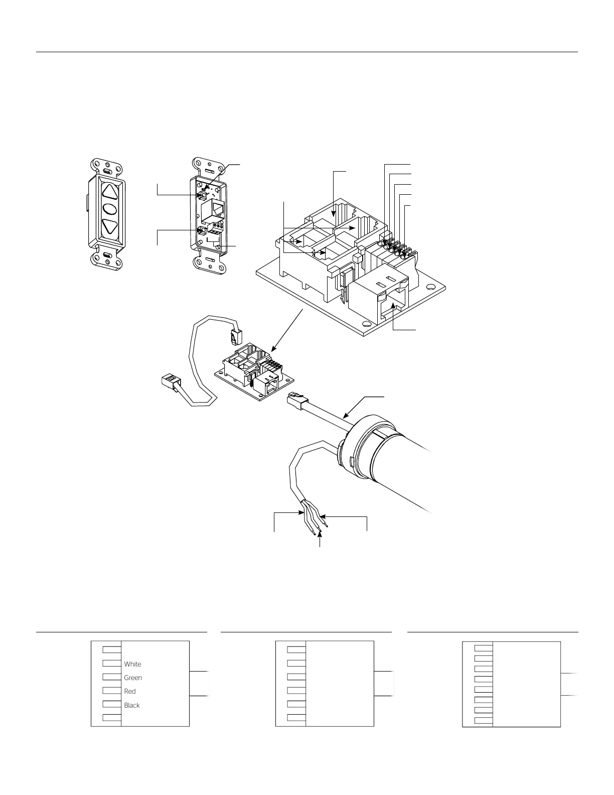
RJ45
Receptacle
RJ22
Output
RJ22
Inputs
Up (Dry Contact)
Down (Dry Contact)
Common (Both)
Bus (Bus)
5V (Bus)
UP
STOP
DOWN
BUS
COM
5V
Front of
Wall Switch
Bus
UP
STOP
DOWN
BUS
COM
5V
Led
Up Limit
Tactile Button
Down Limit
Tactile Button
Back of
Wall Switch
RJ22 Pin-Outs (Tab Is Facing Up)
Standard RJ22 can be used in place of RJ14 cable
Bus (RP Data)
+12V
RQ Clock
RQ Data
+5V
Ground
Yellow
Green
Red
Black
White
Blue
RJ45 Pin-Outs (Tab Is Facing Up)
+12V
Manual 2
Ground
Manual 1
RQ Clock
Bus (RP Data)
RQ Data
+5V
Blue
Green
Yellow
Red
Black
Orange
Purple
Brown
120V Wiring Diagram
3-conductor 2024 gauge wire can be used in place of the
supplied RJ14 cable to connect the wall switch. Connect the
BUS terminals on the wall switch to the corresponding BUS
terminals on the splitter board.
IMPORTANT NOTE: The wall switch is REQUIRED to make any
limit switch adjustments, EVEN if a third party control system is
used. Therefore, it is advised to wire the switch or provide a
3-conductor connection that is accessible.
UP
STOP
DOWN
BUS
COM
5V
Power Input 120VAC / 60Hz
Green (Ground)
(Ground–Must be Connected
to Building Ground)
Black
(Hot)
White
(Common)
Power
Wire
Data
Cable
RJ45 Jack
RJ22 Jack
(Connection to
Wall Switch)
RJ22
Jack
RJ14 Pin-Outs (Tab Is Facing Up)
Supplied RJ14 cable
Bus (RP Data)
RQ Data
+5V
Ground
White
Green
Red
Black

Related product manuals