EasyManua.ls Logo

Daewoo DLX-26C2 - 12 Circuit Diagram

Daewoo DLX-26C2
74 pages
Print Icon
To Next Page IconTo Next Page
To Next Page IconTo Next Page
To Previous Page IconTo Previous Page
To Previous Page IconTo Previous Page
Loading...
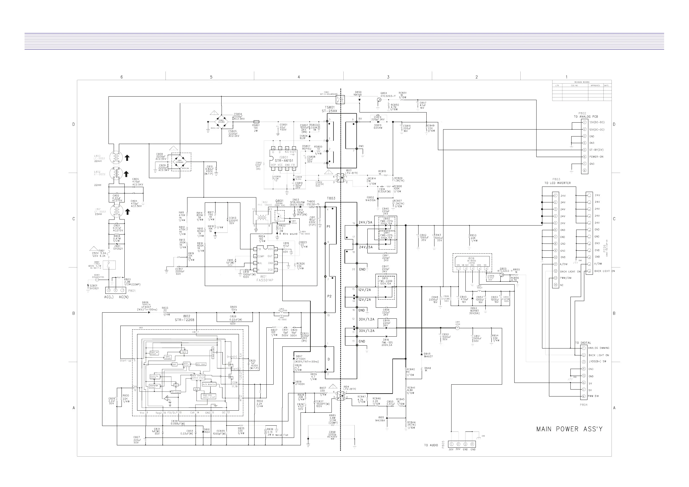
12. Circuit Diagram
-67-

Related product manuals