EasyManua.ls Logo

Daewoo DWF-650 - Spinning Problems

Daewoo DWF-650
33 pages
Print Icon
To Next Page IconTo Next Page
To Next Page IconTo Next Page
To Previous Page IconTo Previous Page
To Previous Page IconTo Previous Page
Loading...
29
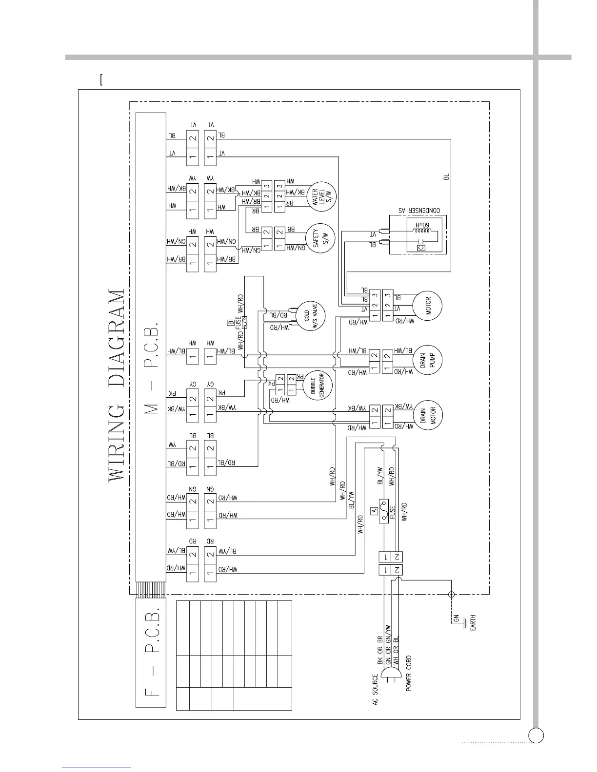
WIRING DIAGRAM
§§
è
[pump, single valve]
RATING(V)
100~127
220~240
100~127
220~240
110
120~127
220
230
240
SPEC
250V/8A
250V/4A OR 5A
600mA
315mA
33.6µF
30µF
8.4µF OR 9.4µF
9.4µF
8.4µF
SYMBOL
A
B
C

Related product manuals