EasyManua.ls Logo

Daikin FTXP-M9 - Rxm20-35 M, Arxm-M; Rxm42-50 M

Daikin FTXP-M9
132 pages
Print Icon
To Next Page IconTo Next Page
To Next Page IconTo Next Page
To Previous Page IconTo Previous Page
To Previous Page IconTo Previous Page
Loading...
ESIE16-02K | Part 5. Appendix 5.2. Wiring diagram
RA R32 Split & multi split M-Series
Page 108 31/05/21 | Version 1.1
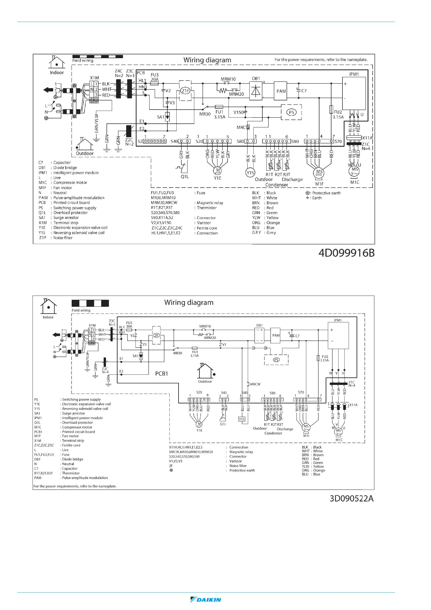
5.2.2.7. RXM20-35M, ARXM-M
Figure 5-19: Wiring diagram - outdoor unit RXM20-35M, ARXM-M
5.2.2.8. RXM42-50M
Figure 5-20: Wiring diagram - outdoor unit RXM42-50M

Table of Contents

Related product manuals