EasyManua.ls Logo

Daikin FTXP-M9 - 3 Mxm40-52 M, 3 Mxm40-52 N, 3 Mxm52 N9; 4 Mxm80 M, 4 Mxm80 N

Daikin FTXP-M9
132 pages
Print Icon
To Next Page IconTo Next Page
To Next Page IconTo Next Page
To Previous Page IconTo Previous Page
To Previous Page IconTo Previous Page
Loading...
ESIE16-02K | Part 5. Appendix 5.3. Piping diagram
RA R32 Split & multi split M-Series
31/05/21 | Version 1.1 Page 127
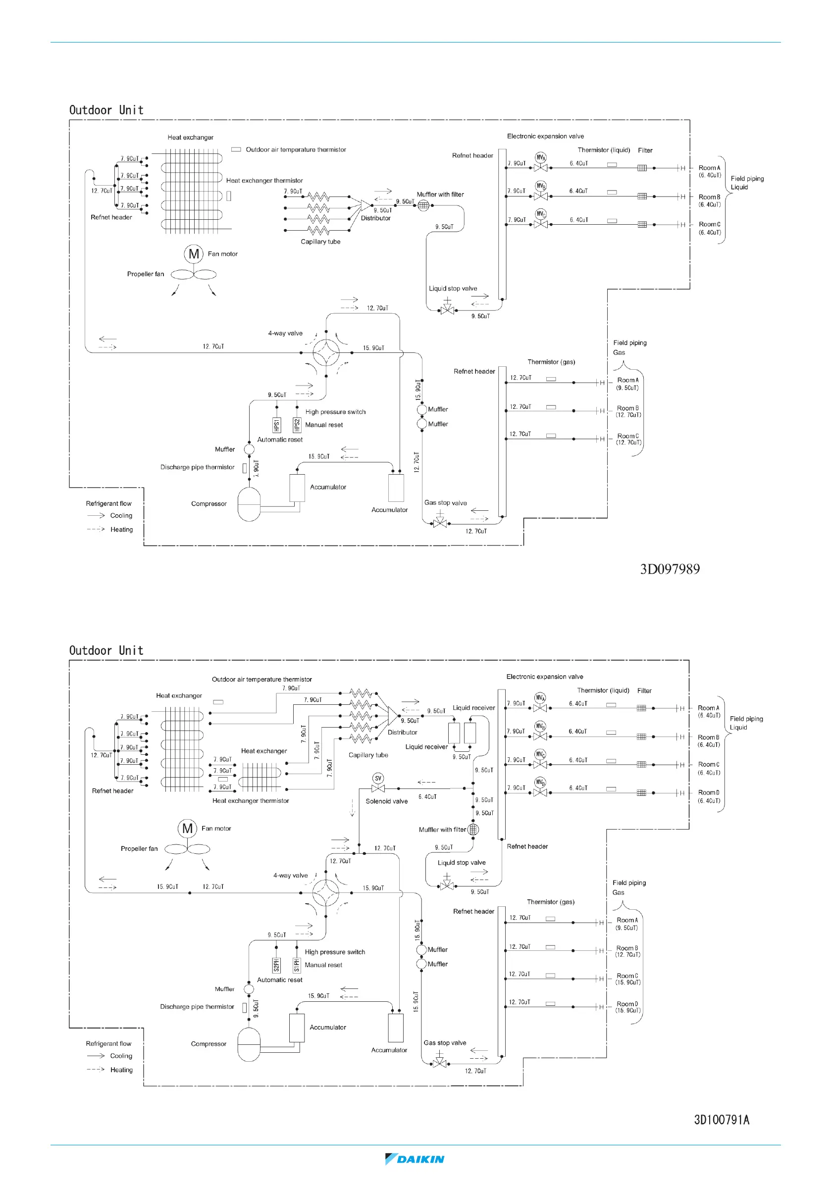
5.3.2.16. 3MXM40-52M, 3MXM40-52N, 3MXM52N9
Figure 5-57: Piping diagram - outdoor unit 3MXM40-52M, 3MXM40-52N, 3MXM52N9
5.3.2.17. 4MXM80M, 4MXM80N
Figure 5-58: Piping diagram - outdoor unit 4MXM80M, 4MXM80N

Table of Contents

Related product manuals