EasyManua.ls Logo

Daikin LRLEQ5AY1(E) - Page 145

Daikin LRLEQ5AY1(E)
156 pages
Print Icon
To Next Page IconTo Next Page
To Next Page IconTo Next Page
To Previous Page IconTo Previous Page
To Previous Page IconTo Previous Page
Loading...
Troubleshooting SiENBE28-901
144 Air Cooled Refrigeration Condensing Unit
No continuous operations allowed
1. Turn off the operation switch for the outdoor unit. After the outdoor unit has stopped, turn off
the power supply for the outdoor unit.
2. Remove the control box.
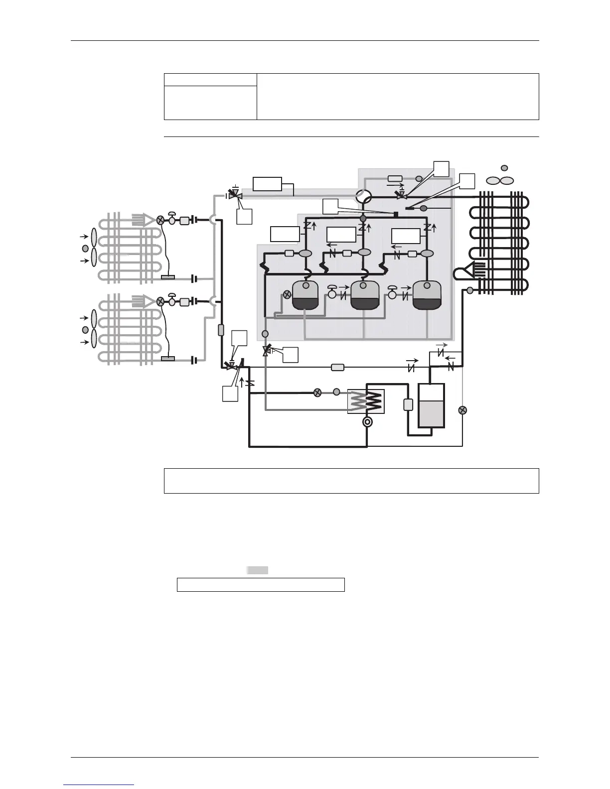
3. Close the stop valves in the order: A, D and then B.
4. Recover the refrigerant in the compressor through service ports a, b and maintenance
valves A and B. ( shaped region.)
After replacing the compressor, check whether the dryer is WET or DRY using the
moisture indicator. If it is WET, replace the dryer.
5. Conduct air tight checks.
6. Conduct vacuuming through the service port b, and the maintenance valve a and B.
(If the oil needs to be added, charge it through the service port A.)
7. Turn on the power supply for the outdoor unit. Then turn on the operation switch for the
outdoor unit.
(If a remote controller switch is used, enable the remote setting.)
8. Charge the refrigerant by the same quantity as that recovered.
Applicable parts Compressors (M1C, M2C and M3C)
• Solenoid valves (STD1 and STD2)
• INV electronic expansion valve
• Four way valve
• High pressure switch
3 compressors
HPSL
HPS1
D
a
C
B
A
b
HP
Td1
INV
EV2
TL
c
EV1
Tg
LP
Tce
HPS3
Td2
EV3
SV2
Ta
HPS2
SV3
Td3
STD1 STD2
A: Discharge line maintenance valve B: Injection line maintenance valve C: Liquid stop valve
D: Gas stop valve a, b, c: Service ports
Repair or replace the applicable parts.

Related product manuals