EasyManua.ls Logo

Daikin LRLEQ5AY1(E) - Page 43

Daikin LRLEQ5AY1(E)
156 pages
Print Icon
To Next Page IconTo Next Page
To Next Page IconTo Next Page
To Previous Page IconTo Previous Page
To Previous Page IconTo Previous Page
Loading...
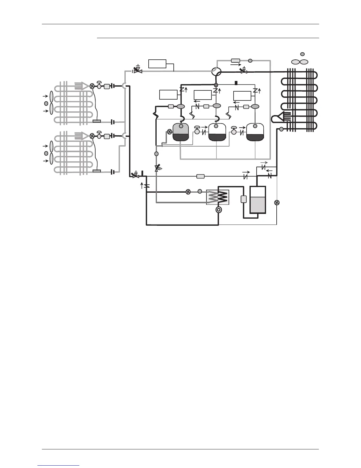
Description of Functions and Operation SiENBE28-901
42 Air Cooled Refrigeration Condensing Unit
<In case of 3 compressors>
HPSL
HPS1 HPS2
HP
Td1 Td2
EV3
SV2
INV STD1
Tg
EV2
TL
EV1
Tce
Ta
HPS3
Td3
SV3
STD2
Ti

Related product manuals