EasyManua.ls Logo

Daikin LRLEQ5AY1(E) - Page 44

Daikin LRLEQ5AY1(E)
156 pages
Print Icon
To Next Page IconTo Next Page
To Next Page IconTo Next Page
To Previous Page IconTo Previous Page
To Previous Page IconTo Previous Page
Loading...
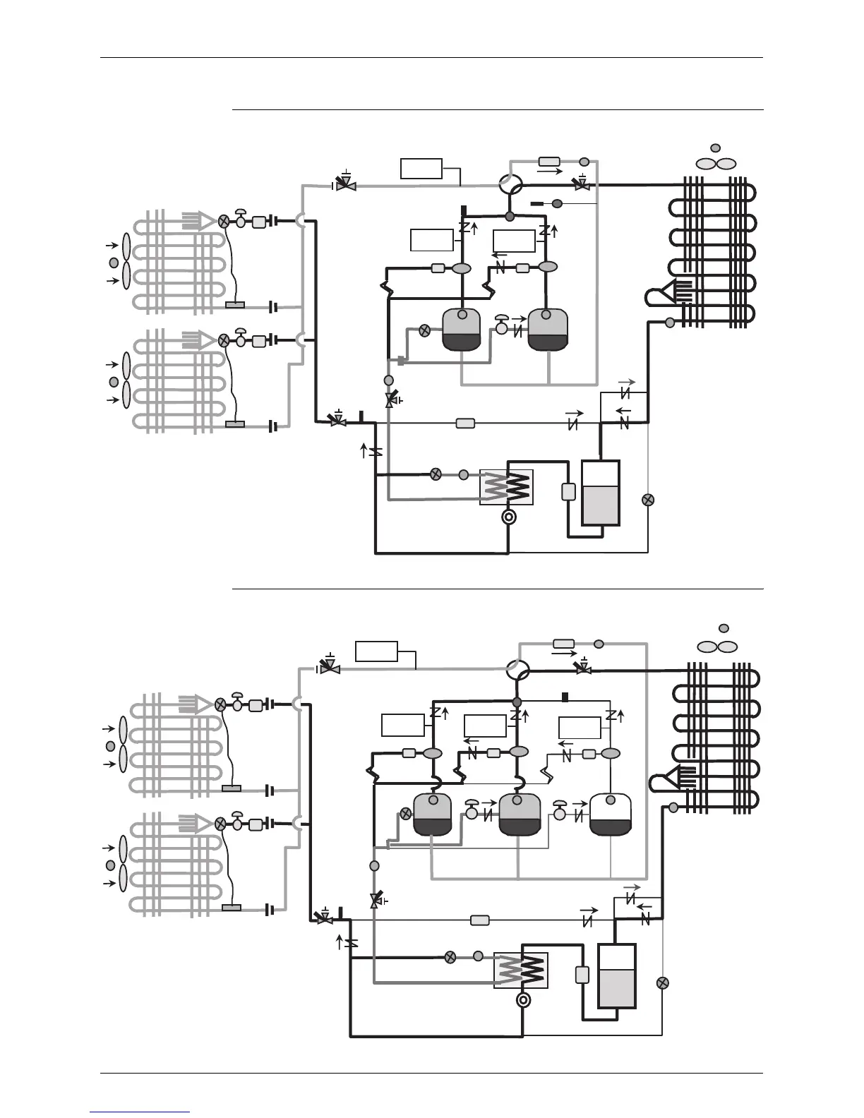
SiENBE28-901 Description of Functions and Operation
Air Cooled Refrigeration Condensing Unit 43
2) Operation Mode 2
<In case of 2 compressors>
<In case of 3 compressors>
HPSL
HPS1
HPS2
HP
Td1
Td2
LP
Ti
EV3 SV2
INV STD1
Tg
EV2
TL
EV1
Tce
Ta
HPSL
HPS1
HPS2
HP
Td1 Td2
EV3
SV2
INV STD1
Tg
EV2
TL
EV1
Tce
Ta
HPS3
Td3
SV3
STD2
Ti

Related product manuals