EasyManua.ls Logo

Daikin RCS - Page 46

Daikin RCS
82 pages
Print Icon
To Next Page IconTo Next Page
To Next Page IconTo Next Page
To Previous Page IconTo Previous Page
To Previous Page IconTo Previous Page
Loading...
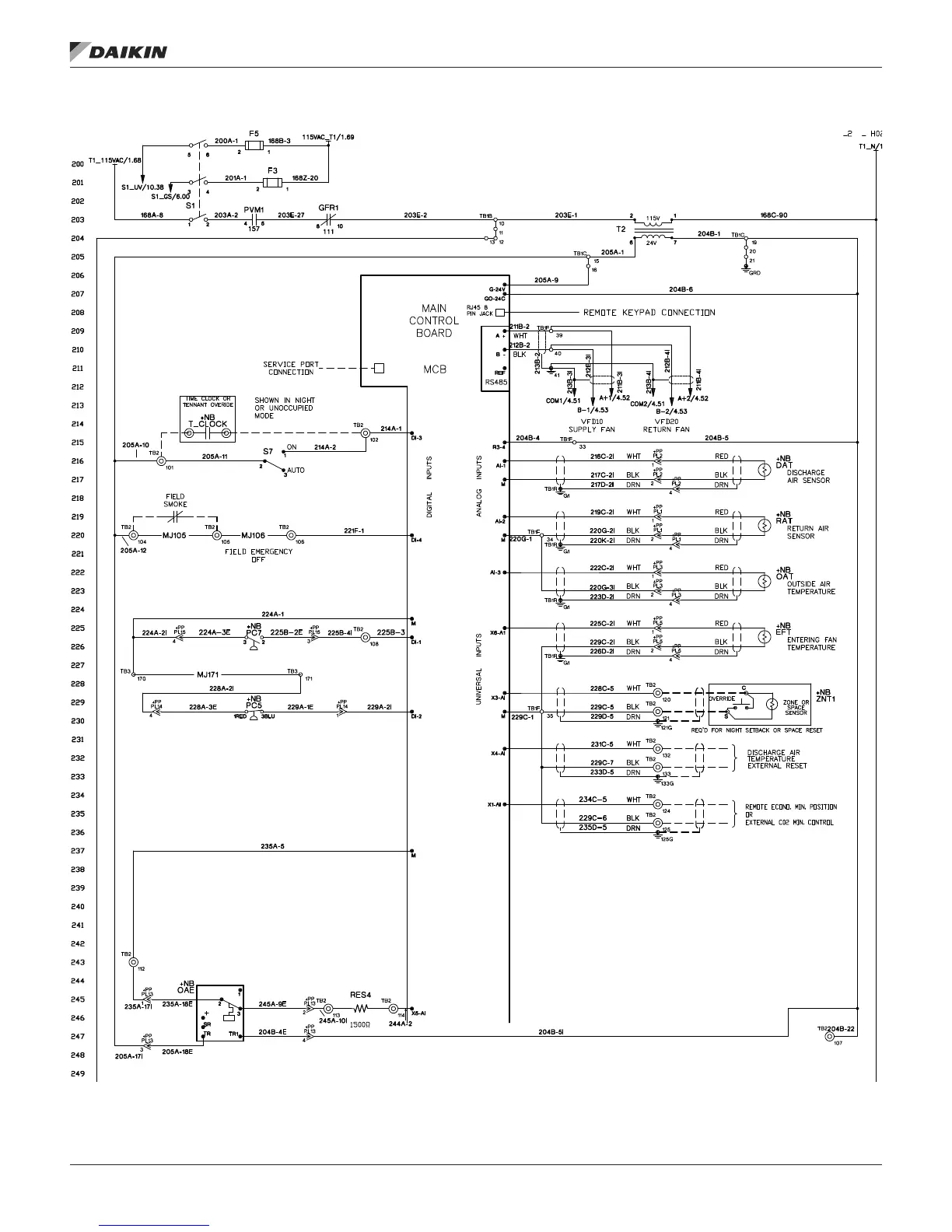
Figure 27 continued: RPS Electrical Diagram
IM 919-3 • MICROTECH III CONTROLLER 46 www.DaikinApplied.com
TypICal eleCTrICal drawIngs - roofpaK

Related product manuals