EasyManua.ls Logo

Daikin RCS - Page 49

Daikin RCS
82 pages
Print Icon
To Next Page IconTo Next Page
To Next Page IconTo Next Page
To Previous Page IconTo Previous Page
To Previous Page IconTo Previous Page
Loading...
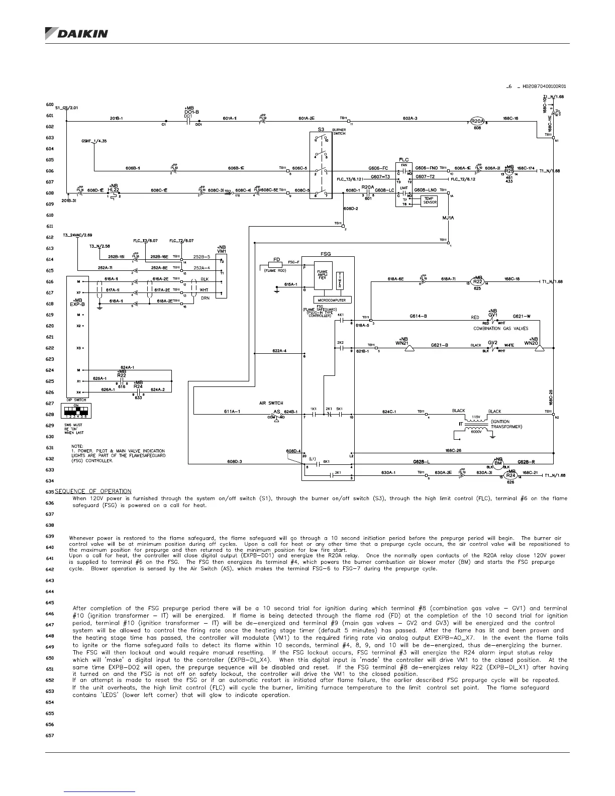
Figure 27 continued: RPS Electrical Diagram
TypICal eleCTrICal drawIngs - roofpaK
www.DaikinApplied.com 49 IM 919-3 • MICROTECH III CONTROLLER

Related product manuals