EasyManua.ls Logo

Daikin RCS - Page 61

Daikin RCS
82 pages
Print Icon
To Next Page IconTo Next Page
To Next Page IconTo Next Page
To Previous Page IconTo Previous Page
To Previous Page IconTo Previous Page
Loading...
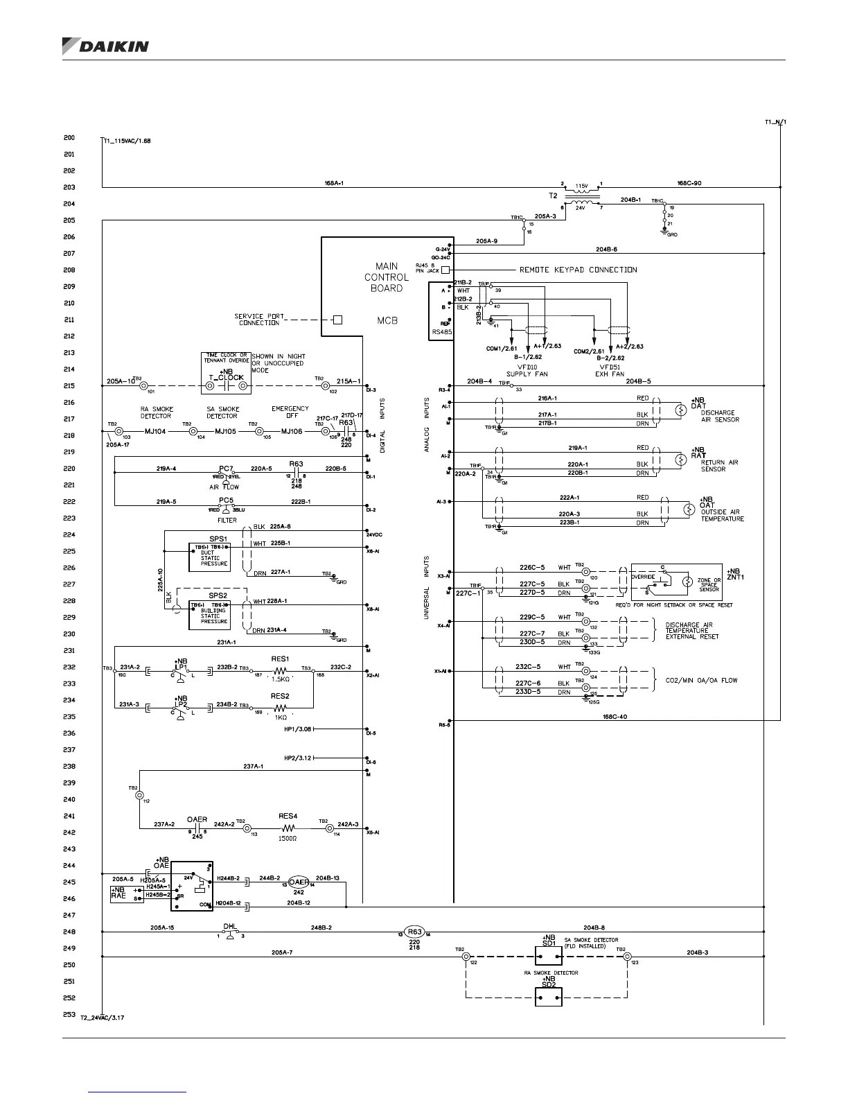
Figure 31 continued: Maverick Electrical Diagram
TypICal eleCTrICal drawIngs - MaverICK
www.DaikinApplied.com 61 IM 919-3 • MICROTECH III CONTROLLER

Related product manuals