EasyManua.ls Logo

Daikin RCS - Page 67

Daikin RCS
82 pages
Print Icon
To Next Page IconTo Next Page
To Next Page IconTo Next Page
To Previous Page IconTo Previous Page
To Previous Page IconTo Previous Page
Loading...
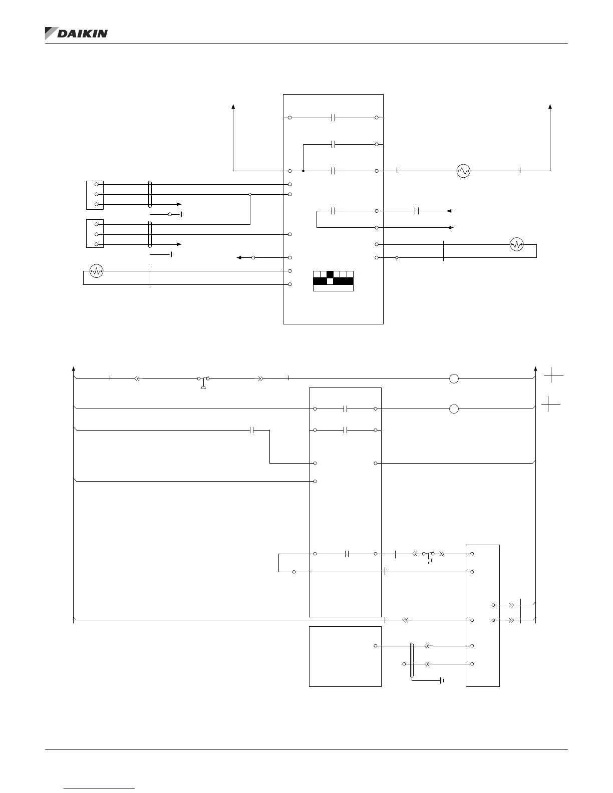
Figure 32 continued: Rebel Electrical Diagram
203
204
205
206
207
208
209
210
211
212
213
214
215
216
217
218
219
220
221
222
223
224
225
226
227
228
229
230
231
232
233
234
235
236
237
238
239
240
241
242
243
244
245
246
247
248
249
250
251
252
253
254
255
256
257
258
259
260
261
262
201
202
263
264
265
OAT
NB
Mod Bus
Connection
SA Smoke
Detector
Emergency
Off
TIME CLOCK OR
TENNANT OVERIDE
24V
120V
DAT
NB
RS485
SRT
NB
DRT1
MB.HB
1 2
SVB
MB.HB
RED
1 2 3 4 5 6
DIP SWITCH
SW6 MUST
BE ON
WHEN LAST
ON
OFF
WHT
Mount Sensor
In Supply Air Duct
FAN OPERATION
RAT
NB
}
CO2/MIN OA
/OA FLOW
WALLSTAT
COOLING &
HEATING
SETPOINT
P
OVERRIDE
S
C
RA Smoke
Detector
LCT
Leaving Coil
Temperature
NB
DO1
163B
BLK
PTS
NB
AI3
255C
301G
(217)
TB1
6
6
TB2
104
TB2
105
TB8
307
TB8
305
TB8
304
7G
TB2
106
T_CLOCK
NB
OAT-I
TB2
115
ALARM OUTPUT
TB2
117
116
MJ MJ
DO9
C9-10
101
TB2
TB2
102
301G
TB2
122
TB2
123
SD1
SVB-I
SVB-I
SRT-I
PTS-I
PTD-I
DRT1-I
-
PTD
NB
M
GO-24C
R3-4
M
S
AI1
B-
G-24V
DI3
DI4
DI1
DI2
M
A+
301G
301G
DO1
43
1
T2A
CLASS 2
75VA
2
DO9
DO10
DO10
DO4
DO2
DO3
DO4
DO2
DO3
C2
C3-4
MCB
EXPD
X1
M
X2
+5VDC
X3
M
X6
M
TB1
7
7
DAT-I
TB8
302
-
+
S
+
C1
252A
BLK
BLK
BLK
DRN
RED
WHT
BLK
DRN
BLK
RED
WHT
12 8
R-HP1
(303)
BLK
BLK
DRN
BLK
RED
163A
254A
255A 258B
155A155B
211A
209A
207A
219B
209A 236A
237A
207B
209A
6
207B
209A
207B
207B
207B
209A
207B
TB1
12
GF1-I
YELYEL
GF1-I
1 4
GFR1
(115)
7
M
X5-AI
TB8
311
TB2
131
219C
219C
226A
227A
24VDC
126
127
24VDC
OUT
COM
SHS1
NB
Humidity
Sensor
31
PC5
FILTER
217A 217B
217A
21
AIR FLOW
PC7
216A
X7-AO
TB8
310
ACT3-I
BLK
GRY
209A
BLK
RED
ACT3
NB
3
2
301G
1
1
PL7
3
2
DRN
RED
WHT
AI2
RAT-I
DRN
BLK
WHT
301G
(217)
X1-AI
121G
CBL232-I
125
TB2
124
BLK
DRN
WHT
132G
CBL227-I
TB8
303
TB2
132
TB2
120
121
ZNT1
NB
X3-AI
M
X4-AI
WHT
BLK
RED
DRN
226B
MJ
TB2
103
209A
SD2
NB
DRN
BLK
RED
LCT-I
301G
(217)
X2-AI
M
120V_N
(160)
A1+ /
(345)
(358)
B1- /
(346)
(359)
GND1 /
(347)
(359)
T2B_N
(163)
T2B_24V
(163)
+5V /
(255)
(258)
+5V / (259)
+5V / (259)
255 / (354)
256 / (354)
120V_H
(160)
303
304
305
306
307
308
309
310
311
312
313
314
315
316
317
318
319
320
321
322
323
324
325
326
327
328
329
330
331
332
333
334
335
336
337
338
339
340
341
342
343
344
345
346
347
348
349
350
351
352
353
354
355
356
357
358
359
360
361
362
301
302
363
364
365
MODBUS
X4A
TN2
+ -
ACS3
ACS1
X6A
24VAC
DIP SWITCH
1
2
3
4
2
GND
ORG
RED
X86A
X88A
X89A
YEL
BLK
GRY
4
KON 24
SD
1 2 3
DIP SWITCH
A4P
(120)
IFB
1
2
1
2
1
2
16V
GND
3
2
1
A4/4-I
DO1B
DO1
354A
X6A-1I
CBL345-I
DRN
EVB/88A-I
C1
13 14
R-CCH1
(145)
NCNO
R5-6
C2
DO2
DO2B
IFN_MOTOR
NB
1
2
IFN-CI
DI5
MCB
3
1
WHT
BLK
155B 305A 155A
155A
IFB-I
RED
BLK
351E
352B
WHT
BLK
RED
DRN
WHT
BLK
163A
163B
RED
BLK
WHT
X6A-2I
3
2
1
PL17
3
4
EVB
(116)
1
3
EVI
NB
EVI-I
EVBJMP-I
1
2
3
4
5
1
2
BLK
WHT
BRN
RED
GRN
1
3
2
4
EVI
5
2
1
5
310A
155B
1
PL4
2
PL4
CH
HP1
NB
13 14
R-HP1
(307)
(255)
NCNO
HP1-I HP1-I
9 5
R-HP1
(303)
155A
155B 303A
HEAT1-CI
301G
(217)
TB8
DRN
X5-AO
2
3
PL18
4
PL19
3
HEAT1
MOD GAS
HEATER
NB
-
+
1
PL19
L1 L2
G
HEAT1-CI
BLK
WHT
RED
HEAT1-CI
GRN
WHT
R
W
DO3
DO3
TB8
309
C3
21
AHL
NB
HEAT-2I
YEL
319A
TB8
307
YEL
AHL-I
EXPD
155B
DI6
255
(255)
120V_N
(160)
120V_H
(160)
A1+ /(212)
B1- /(213)
GND1 /(214)
(212)
A1+ /
B1- / (213)
GND1 / (214)
T2B_24V /
(163)
T2B_N /
(163)
256
(257)
TypICal eleCTrICal drawIngs - rebel
www.DaikinApplied.com 67 IM 919-3 • MICROTECH III CONTROLLER

Related product manuals