EasyManua.ls Logo

Daikin RCS - Page 76

Daikin RCS
82 pages
Print Icon
To Next Page IconTo Next Page
To Next Page IconTo Next Page
To Previous Page IconTo Previous Page
To Previous Page IconTo Previous Page
Loading...
IM 919-3 • MICROTECH III CONTROLLER 76 www.DaikinApplied.com
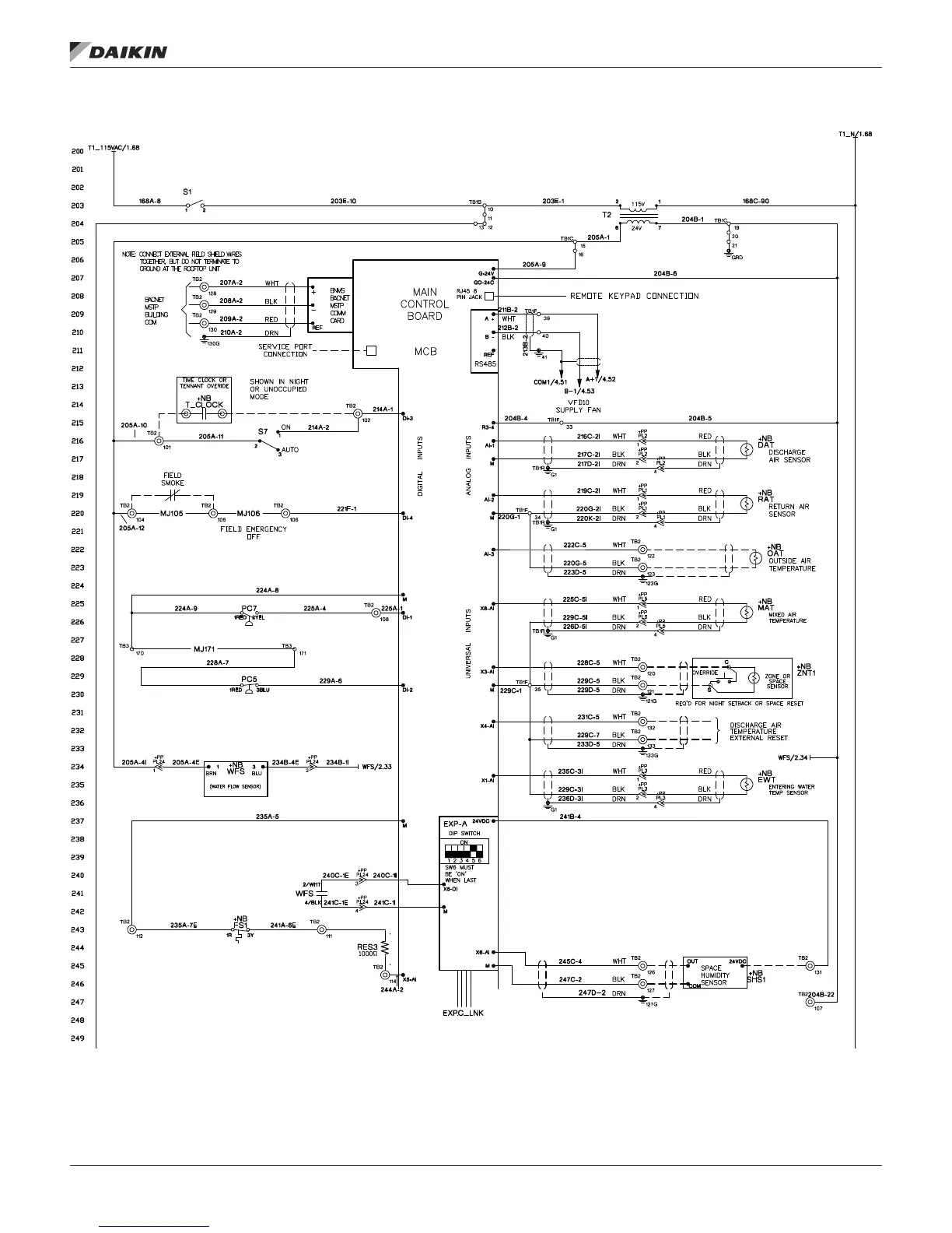
TypICal eleCTrICal drawIngs - self-ConTaIned
Figure 33 continued: Self-Contained Electrical Diagram

Related product manuals