EasyManua.ls Logo

Daikin Super Multi Plus E-Series FTXG25EV1BW - Page 264

Daikin Super Multi Plus E-Series FTXG25EV1BW
492 pages
Print Icon
To Next Page IconTo Next Page
To Next Page IconTo Next Page
To Previous Page IconTo Previous Page
To Previous Page IconTo Previous Page
Loading...
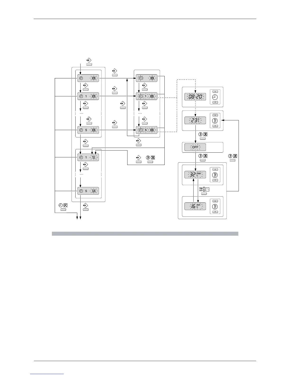
SA Indoor Unit - FFQ, FCQ, FDBQ, FBQ, FHQ Series SiBE18-821_C
252 Operation Manual
2
Start
5s
5s
5s
+
5s
5s
End

Table of Contents

Related product manuals