EasyManua.ls Logo

Daikin Super Multi Plus E-Series FTXG25EV1BW - Heating Operation

Daikin Super Multi Plus E-Series FTXG25EV1BW
492 pages
Print Icon
To Next Page IconTo Next Page
To Next Page IconTo Next Page
To Previous Page IconTo Previous Page
To Previous Page IconTo Previous Page
Loading...
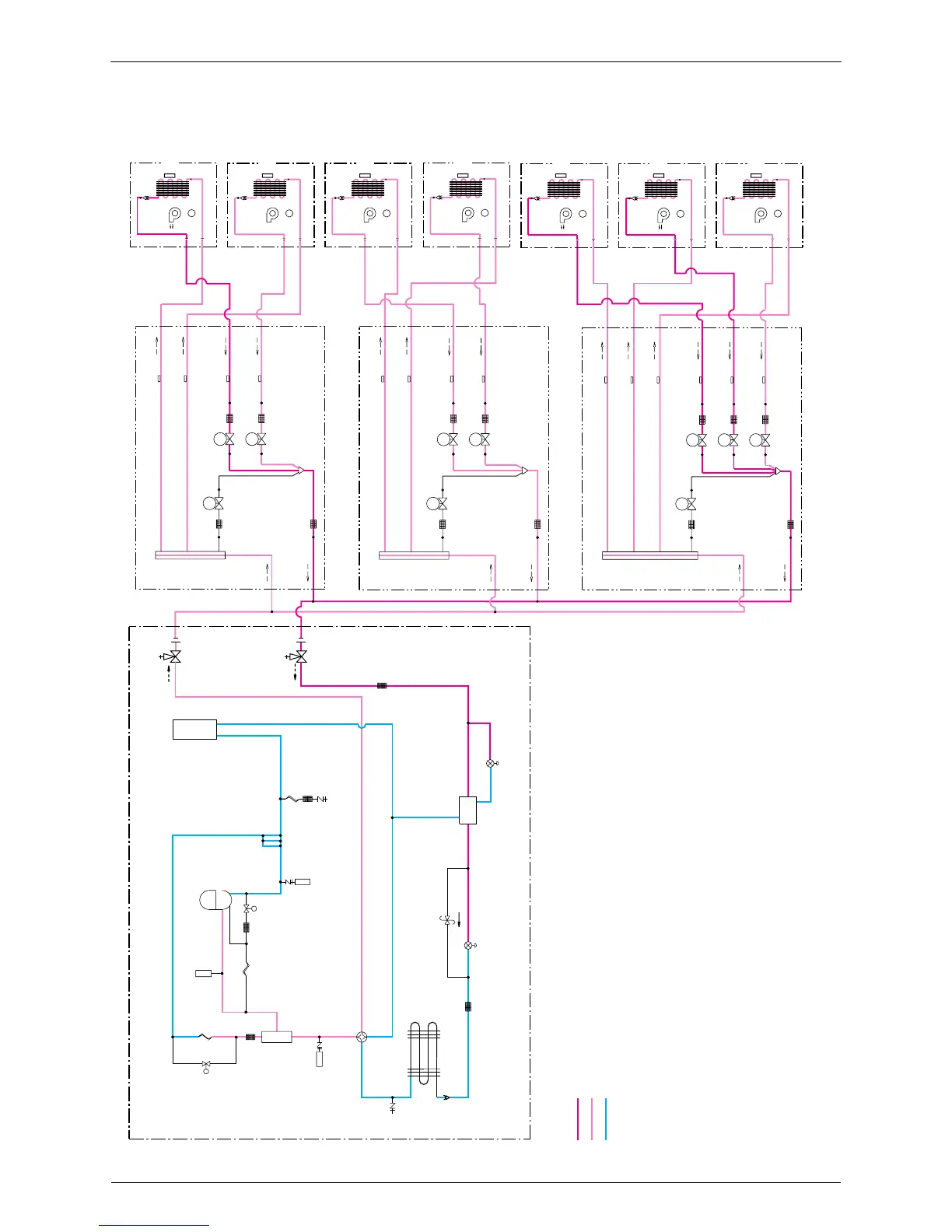
Refrigerant Flow for Each Operation Mode SiBE18-821_C
72 Refrigerant Circuit
3.2 Heating Operation
SOLENOID
VALVE)
OUTDOOR UNIT INDOOR UNIT
FIELD PIPING
FIELD PIPING
SIROCCO FAN
SIROCCO FAN
SIROCCO FAN
SIROCCO FAN
SIROCCO FAN
SIROCCO FAN
SIROCCO FAN
M
M
M
M
M
M
M
(R13064)
EV
A
: 80 pulse
EV
H
: Full closeEV
B
: 80 pulse
EV
H
: Full closeEV
B
: 80 pulseEV
A
: SC control
FIELD PIPING
FIELD PIPING
FIELD PIPING
FIELD PIPING
FIELD PIPING
FIELD PIPING
FIELD PIPING
FIELD PIPING
FIELD PIPING
FIELD PIPING
FIELD PIPING
"OFF"
"OFF"
"OFF"
"OFF"
"ON"
"ON"
"ON"
FIELD PIPING
: High pressure liquid refrigerant
: High pressure high temp. gas refrigerant
: Low pressure low temp. liquid or gas refrigerant
Y1E PI control
Y3E PI control
Y2S OFF
EV
A
: SC control EV
B
: SC control EV
C
: 80 pulse EV
H
: Full close
SV
SV
SERVICE PORT
FILTER
FILTER
FILTER
FILTER
FILTER
HEAT EXCHANGER
COMPRESSOR
ACCUMULATOR
CAPILLARY
TUBE
HIGH PRESSURE
SWITCH
SOLENOID
VALVE
CAPILLARY
TUBE
CAPILLARY
TUBE
LOW PRESSURE
SENSOR
HIGH PRESSURE
SENSOR
FOUR WAY
VALVE
SERVICE
PORT
OIL
SEPARATOR
ELECTRONIC
EXPANSION VALVE
(Y1E)
DOUBLE PIPE
HEAT EXCHANGER
ELECTRONIC
EXPANSION VALVE (Y3E)
PRESSURE
REGULATING VALVE
LIQUID LINE
STOP VALVE
GAS LINE
STOP VALVE
BP UNIT
ELECTRONIC
EXPANSION VALVE(BYPASS)
FILTER
ELECTRONIC
EXPANSION VALVE(ROOM A)
GAS SIDE
THERMISTOR(DGB)
LIQUID SIDE
THERMISTOR(DLB)
LIQUID SIDE
THERMISTOR(DLA)
GAS SIDE
THERMISTOR(DGA)
FILTER
FILTER
ELECTRONIC
EXPANSION VALVE(ROOM B)
FILTER
FILTER
FILTER
FILTER
FILTER
LIQUID SIDE
THERMISTOR(DLB)
LIQUID SIDE
THERMISTOR(DLA)
GAS SIDE
THERMISTOR(DGA)
GAS SIDE
THERMISTOR(DGB)
ELECTRONIC
EXPANSION VALVE(ROOM B)
ELECTRONIC
EXPANSION VALVE(BYPASS)
ELECTRONIC
EXPANSION VALVE(ROOM A)
FILTER
FILTER
FILTER
FILTER
LIQUID SIDE
THERMISTOR(DLA)
LIQUID SIDE
THERMISTOR(DLB)
LIQUID SIDE
THERMISTOR(DLC)
GAS SIDE
THERMISTOR(DGA)
GAS SIDE
THERMISTOR(DGB)
GAS SIDE
THERMISTOR(DGC)
ELECTRONIC
EXPANSION VALVE(ROOM A)
ELECTRONIC
EXPANSION VALVE(ROOM B)
ELECTRONIC
EXPANSION VALVE(ROOM C)
ELECTRONIC
EXPANSION VALVE(BYPASS)
FILTER
EVH
EVA
EVB
EVH
EVA
EVB
EVH
EVC
EVB
EVA
HEAT EXCHANGER
FAN MOTOR
FAN MOTOR
FAN MOTOR
FAN MOTOR
FAN MOTOR
FAN MOTOR
FAN MOTOR
HEAT EXCHANGER
HEAT EXCHANGER
HEAT EXCHANGER
HEAT EXCHANGER
HEAT EXCHANGER
HEAT
EXCHANGER
THERMISTOR
HEAT
EXCHANGER
THERMISTOR
HEAT
EXCHANGER
THERMISTOR
HEAT
EXCHANGER
THERMISTOR
HEAT
EXCHANGER
THERMISTOR
HEAT
EXCHANGER
THERMISTOR
HEAT
EXCHANGER
THERMISTOR
HEAT EXCHANGER
(Y2S)

Table of Contents

Related product manuals