EasyManua.ls Logo

Daikin ZUWV - 2. Major Component Locations

Daikin ZUWV
54 pages
Print Icon
To Next Page IconTo Next Page
To Next Page IconTo Next Page
To Previous Page IconTo Previous Page
To Previous Page IconTo Previous Page
Loading...
SINGLE SCREW CHILLERS IMM
4 Engineered for Flexibility and Performance
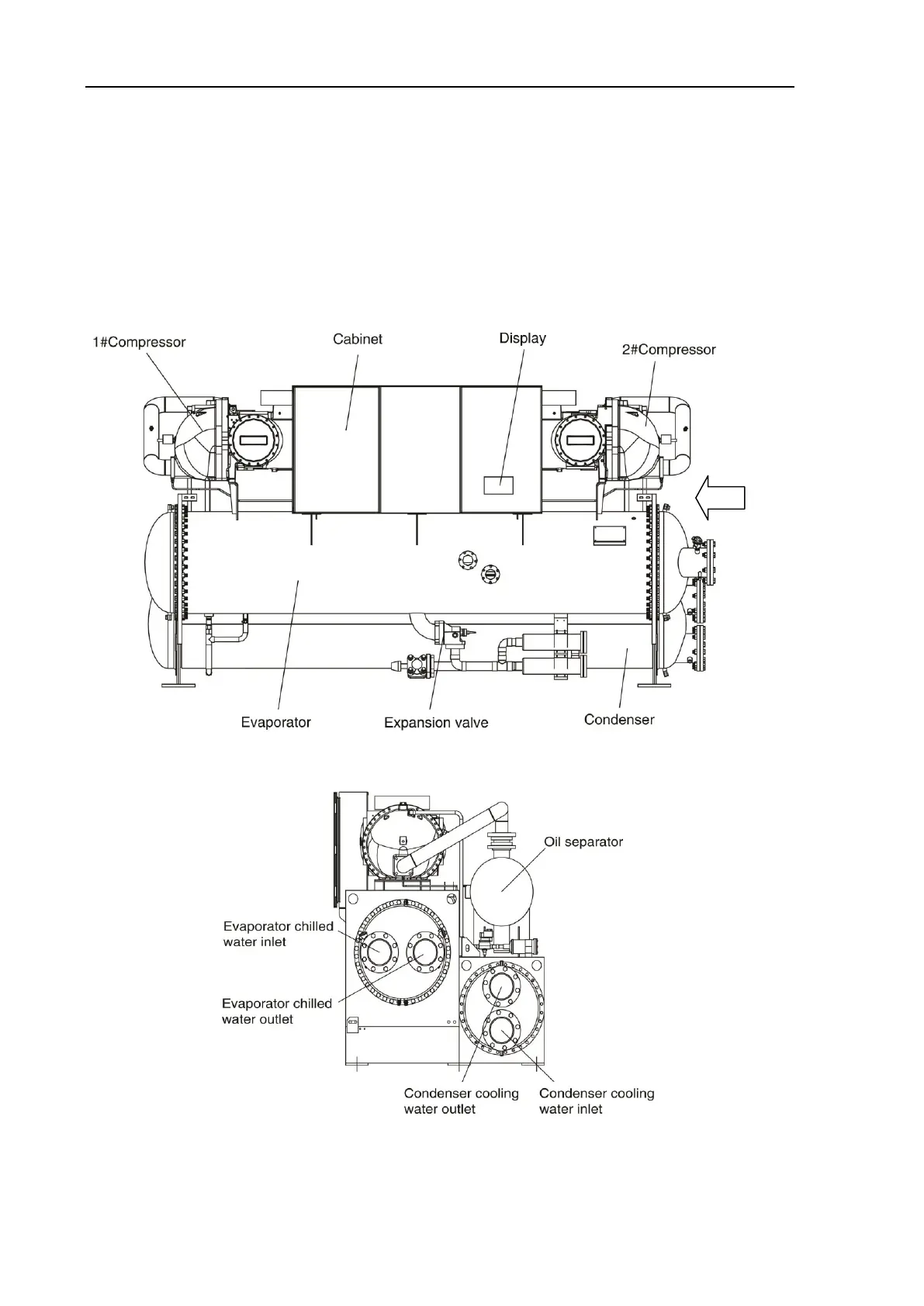
2. Major Component Locations
Single screw chillers are classified into the single-compressor, double-compressor chillers
according to the quantity of compressors, taking the double-compressor chiller(as shown in
Fig.2-2),ZUWY6Q2OFLHE3LDL2N falling-film chiller(as shown in Fig.2-3) and
ZUWY6Q2OSF-HCA Falling-film chiller with Flash-tank Economizer (as shown in Fig.2-4) as
examples to introduce each component of chiller.
All the structures of single screw chillers are similar and different types varies in the aspects of
specifications and types; the specific one is subject to the delivery of chiller and the direction of
water pipe is in line with the order requirements.
A View
Fig.2-1
A

Table of Contents

Related product manuals