EasyManua.ls Logo

Daktronics FB-2025 - Page 73

Default Icon
134 pages
Print Icon
To Next Page IconTo Next Page
To Next Page IconTo Next Page
To Previous Page IconTo Previous Page
To Previous Page IconTo Previous Page
Loading...
THE CONCEPTS EXPRESSED AND DETAILS SHOWN ON THIS DRAWING
ARE CONFIDENTIAL AND PROPRIETARY. DO NOT REPRODUCE BY
ANY MEANS WITHOUT THE EXPRESS WRITTEN CONSENT OF
DAKTRONICS, INC. OR ITS WHOLLY OWNED SUBSIDIARIES.
COPYRIGHT 2016 DAKTRONICS, INC. (USA)
THIRD ANGLE PROJECTION
AH
REV
TITLE:
PROJECT:
INCHES [MILLIMETERS]
DESIGN:
SCALE:
DIM UNITS:DATE: SHEET
DO NOT SCALE DRAWING
FUNC - TYPE - SIZE
DRAWN: -
JOB NO.
-
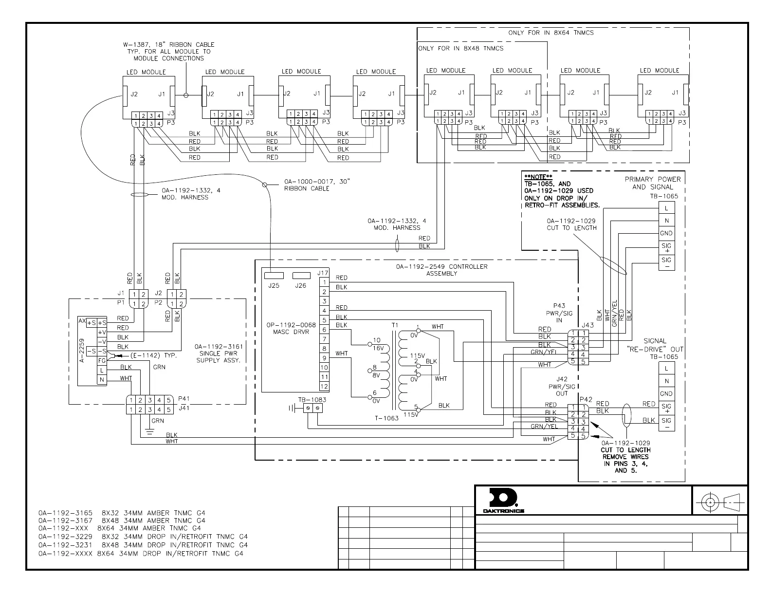
OUTDOOR LED DIGIT SCOREBOARDS
SCHEMATIC: 34 MM AMBER TNMC GEN IV
DDINING
31 AUG 05
P1192 R 01 A
NONE
MMILLER
252645
06
REV DATE: BY:
01 01 DEC 05 SJC
CHANGED MOD PWR HARNESS FROM
2 PIN TO 4 PIN HARNESS
REV DATE: BY:
02 14 FEB 06 MWM
UPDATED PART NUMBERS AND EXPANDED
DRAWING TO COVER 8X64 OPTION
REV DATE: BY:
03 07 NOV 06 SAL
UPDATED TITLE TO INCLUDE 34 MM
REV DATE: BY:
04 10 APR 07 DMD
ADDED TB-1083 GND TERMINAL BLOCK AND
GROUND WIRES
REV DATE: BY:
05 16 SEP 09 MWM
ADDED MORE DETAIL TO POWER SUPPLY
PER ECO 66884
REV DATE: BY:
06 10 JUN 16 KDD
PER EC-21432, REPLACED A-1633 W/ A-2259

Table of Contents

Related product manuals