EasyManua.ls Logo

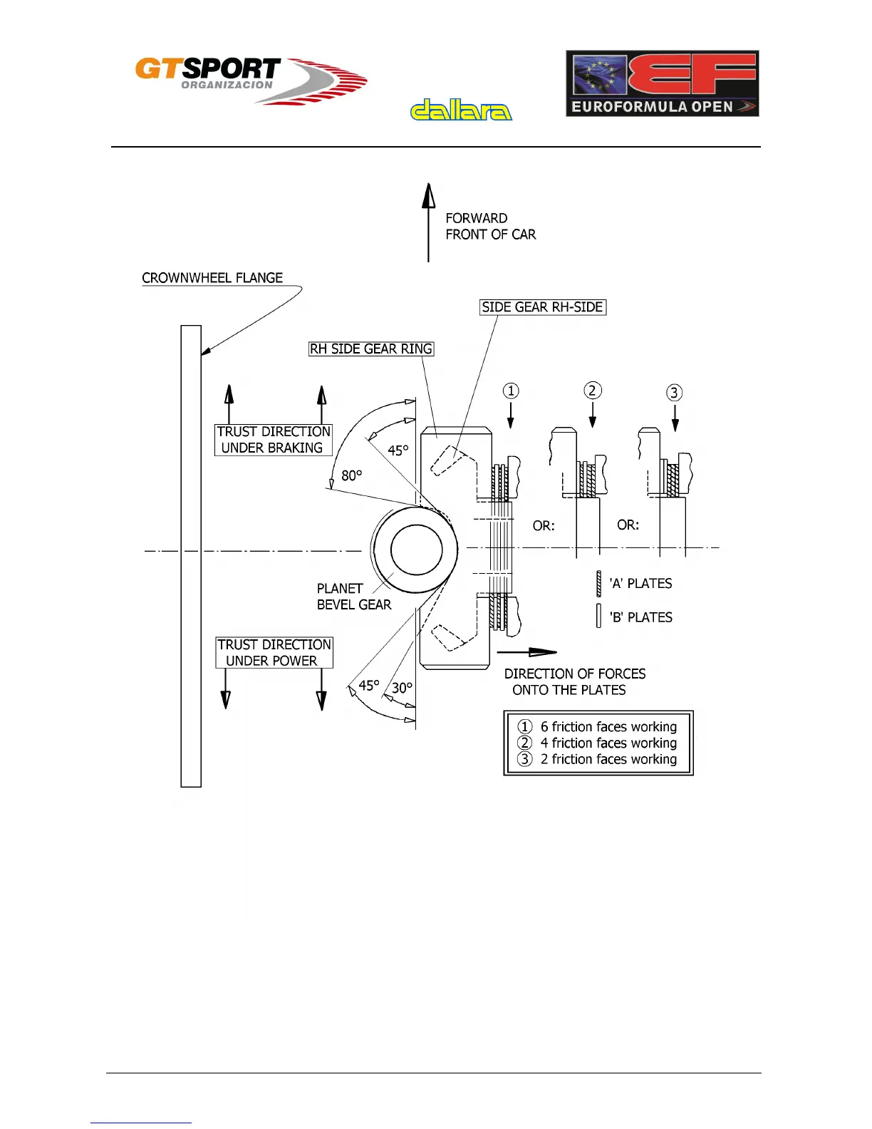
dallara F-312 - Esquema del Diferencial

dallara F-312
79 pages
Print Icon
To Next Page IconTo Next Page
To Next Page IconTo Next Page
To Previous Page IconTo Previous Page
To Previous Page IconTo Previous Page
Loading...
F 317
Euroformula Open Technical Comision
Comisión Técnica del Euroformula Open
30/78
Version 1801 of April 2018
Versión 1801 de Abril de 2018

Table of Contents

Related product manuals