EasyManua.ls Logo

Danfoss EXD 316 - Page 14

Danfoss EXD 316
16 pages
Print Icon
To Next Page IconTo Next Page
To Next Page IconTo Next Page
To Previous Page IconTo Previous Page
To Previous Page IconTo Previous Page
Loading...
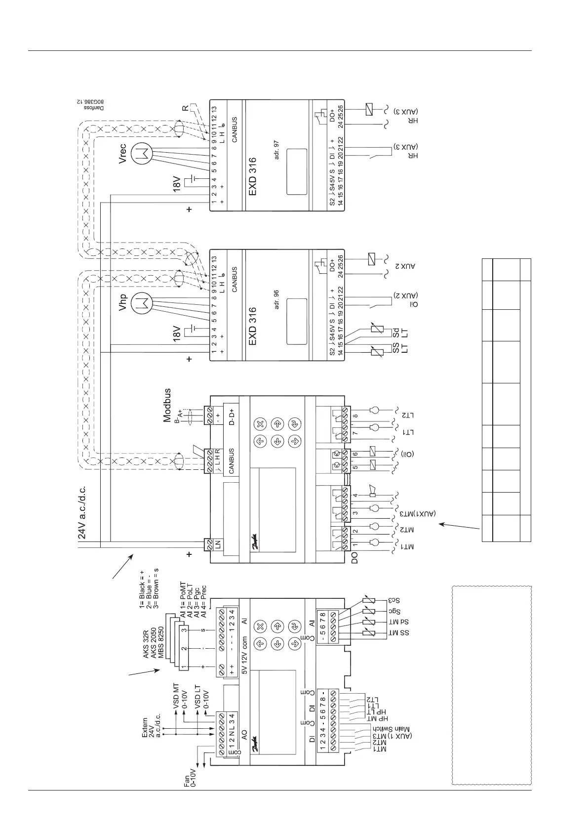
14 Instructions RI8SR1ML © Danfoss 01/2019 AK-PC 572
ESPAÑOL
Conexiones,nivel inferiorConexiones, nivel superior
Ruido eléctrico
Cables de señal para los sensores, de las entradas DI,
comunicación de datos y la pantalla deberán mantenerse
alejados de alta tensión (230 V) cables eléctricos:
- Utilizar diferentes bandejas para los cables
-
Mantener una distancia mínima de 10 cm entre los cables
de alta tensión y de señal
-
Cables de más de 3 m en la entrada DI deben evitarse
Conexiones
DO DO1 DO2 DO3 DO4 DO5 DO6 DO7 DO8 Σ 1-8
I Max. 10 A
(3,5)
10 A
(3,5)
6 A
(4)
6 A
(4)
0,5 A
min. 50 mA
Ioff < 1,5 mA
0,5 A
min. 50 mA
Ioff < 1,5 mA
6 A
(4)
6 A
(4)
32 A
U Todos los 24 V o todos los 230 V c.a.
Advertencia
La tensión de
suministro del AI
puede no compartir
la señal con otros
controladores.
¡Alimentación
independiente!
¡Advertencia!
+ se debe conectar a +
(L a 1 a 1)
Importante!
Espere antes de conectar la alimentación eléctrica a
los módulos.
Para poder ajustar las direcciones 96 y 97 se debe
seguir el procedimiento recomendado. Consulte la
página 16.

Related product manuals