EasyManua.ls Logo

Danfoss SET 1E - Typical Control of a Motorised Zone Valve Requiring an Open and Close Signal

Danfoss SET 1E
16 pages
Print Icon
To Next Page IconTo Next Page
To Next Page IconTo Next Page
To Previous Page IconTo Previous Page
To Previous Page IconTo Previous Page
Loading...
SET1E
10
GB
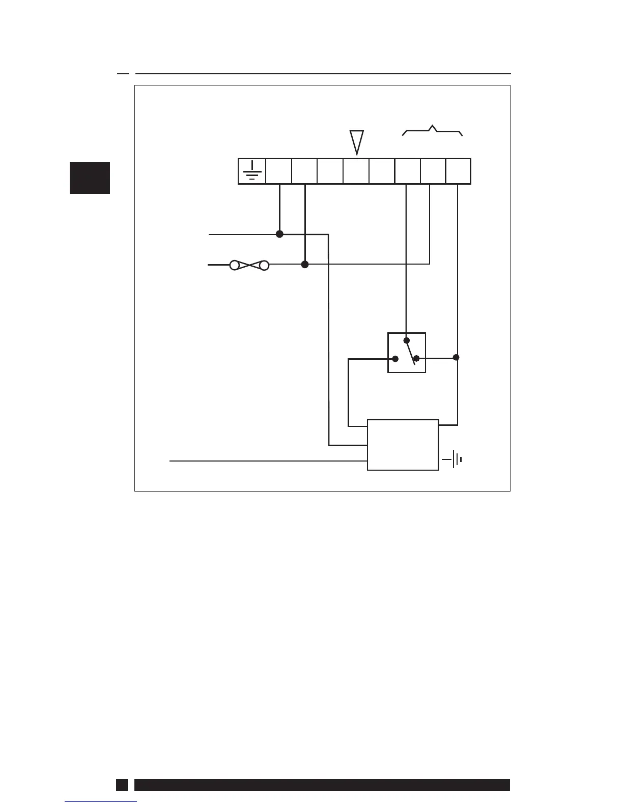
3.5 Typical Control of a Motorised Zone Valve
Requiring an Open and Close Signal
N L 1 2 3 4 5 6
3 amp
fuse max.
SPARE LOAD
ON OFF
Mains
Supply
N
L
Timeswitch
Terminals
Aux. Switch Wire
Zone
Valve
Room
Stat
COM
CALL SAT
OPEN
CLOSE

Related product manuals