EasyManua.ls Logo

Danfoss SET 1E - Typical Control Heating Function Only with Boiler and Pump

Danfoss SET 1E
16 pages
Print Icon
To Next Page IconTo Next Page
To Next Page IconTo Next Page
To Previous Page IconTo Previous Page
To Previous Page IconTo Previous Page
Loading...
Danfoss Heating
9
GB
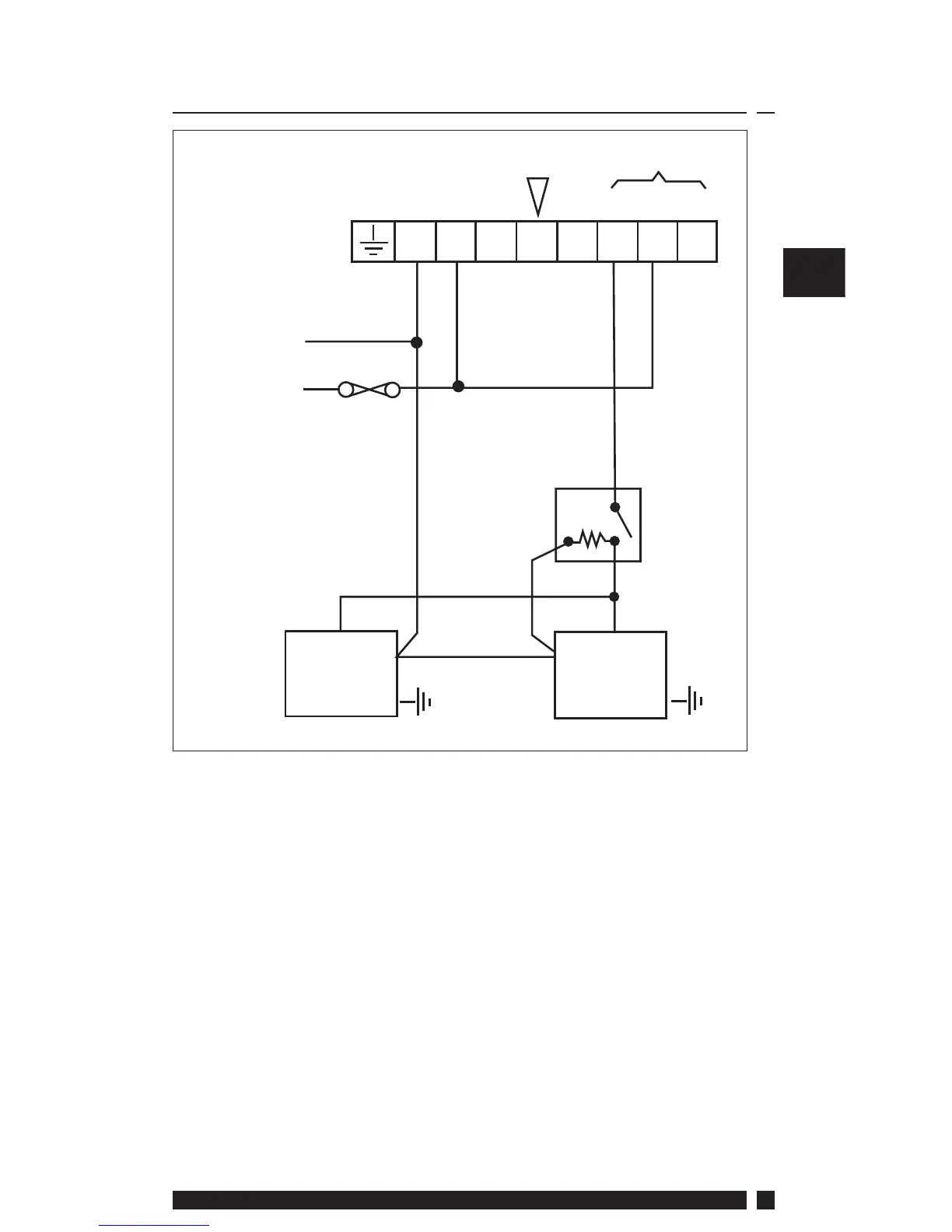
3.4 Typical Control Heating Function Only With
Boiler and Pump
N L 1 2 3 4 5 6
3 amp
fuse max.
SPARE LOAD
ON OFF
Mains
Supply
N
L
Timeswitch
Terminals
Boiler Pump
L
N
N
N
Room
Stat
COM
CALL

Related product manuals