EasyManua.ls Logo

Danfoss SET 1E - Typical Gravity DHW with Pumped Central Heating

Danfoss SET 1E
16 pages
Print Icon
To Next Page IconTo Next Page
To Next Page IconTo Next Page
To Previous Page IconTo Previous Page
To Previous Page IconTo Previous Page
Loading...
Danfoss Heating
7
GB
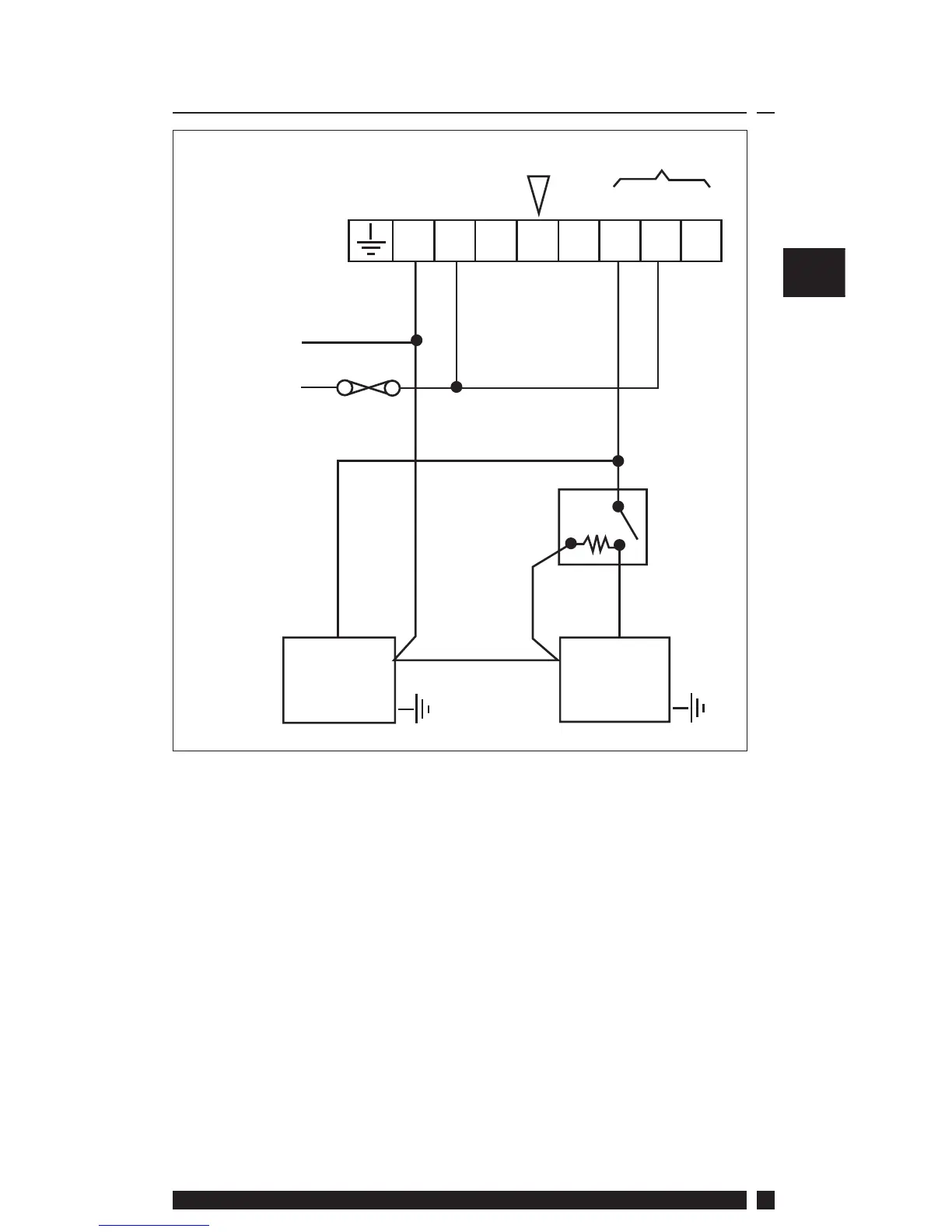
N L 1 2 3 4 5 6
3 amp
fuse max.
SPARE LOAD
ON OFF
Mains
Supply
N
L
Room
Stat
COM
CALL
Timeswitch
Terminals
Boiler
Pump
L
N
NN
DHW = Domestic Hot Water
3.2 Typical Gravity DHW With Pumped Central
Heating

Related product manuals