EasyManua.ls Logo

Danfoss VLT HVAC Drive FC 102 - Page 105

Danfoss VLT HVAC Drive FC 102
140 pages
Print Icon
To Next Page IconTo Next Page
To Next Page IconTo Next Page
To Previous Page IconTo Previous Page
To Previous Page IconTo Previous Page
Loading...
Examples 1 and 2 illustrate the dierence between the
two:
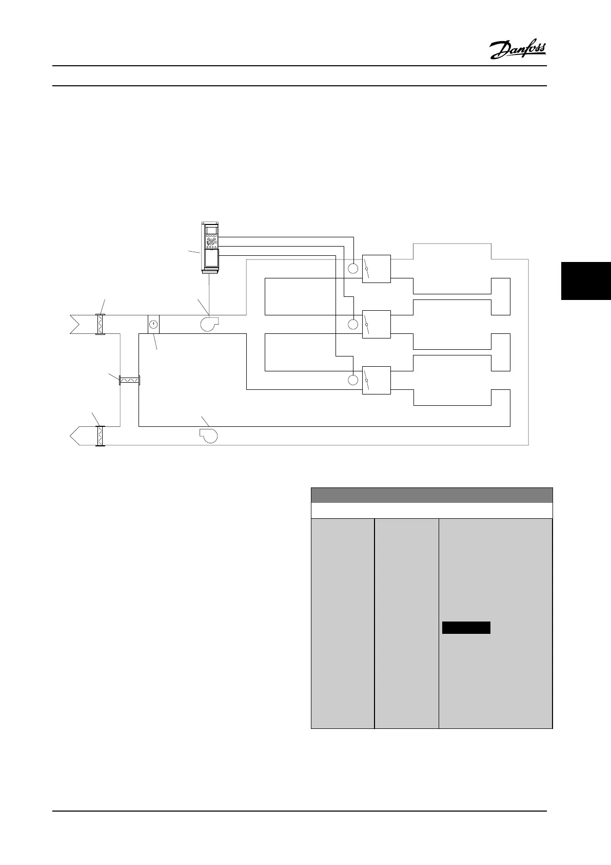
Example 1 Multi-zone, single setpoint
In an oce building, a VAV (variable air volume) VLT
®
HVAC Drive system must ensure a minimum pressure at
selected VAV boxes. Due to the varying pressure losses in
each duct, the pressure at each VAV box cannot be
assumed to be the same. The minimum pressure required
is the same for all VAV boxes. This control method can be
set up by setting parameter 20-20 Feedback Function to [3]
Minimum, and entering the desired pressure in
parameter 20-21 Setpoint 1. If any feedback is below the
setpoint, the PID controller increases the fan speed. If all
feedbacks are above the setpoint, the PID controller
decreases the fan speed.
P
P
P
P
P
P
VAV
Box
Zone 1
Damper
Cooling/
heating coil
Supply
air fan
Return air fan
Damper
Damper
Zone 2
Zone 3
VAV
Box
VAV
Box
FC 102
130BA353.10
Figure 6.17 Example, Multi-zone, Single Setpoint
Example 2 Multi-zone, multi-setpoint
The previous example illustrates the use of multi-zone,
multi-setpoint control. If the zones require dierent
pressures for each VAV box, each setpoint may be specied
in parameter 20-21 Setpoint 1, parameter 20-22 Setpoint 2
and parameter 20-23 Setpoint 3. By selecting [5] Multi-
setpoint minimum in parameter 20-20 Feedback Function,
the PID controller increases the fan speed if any one of the
feedbacks is below its setpoint. If all feedbacks are above
their individual setpoints, the PID controller decreases the
fan speed.
20-21 Setpoint 1
Range: Function:
0
ProcessCtrlUnit*
[-999999.999 -
999999.999
ProcessCtrlUnit]
Setpoint 1 is used in closed-
loop mode to enter a setpoint
reference that is used by the
adjustable frequency drive’s
PID controller. See the
description of
parameter 20-20 Feedback
Function.
NOTICE!
The setpoint reference
entered here is added to
any other references that
are enabled (see
parameter group 3-1*
References).
How to Program Instruction Manual
MG11F522 Danfoss A/S © 08/2014 All rights reserved. 103
6 6

Table of Contents

Other manuals for Danfoss VLT HVAC Drive FC 102

Related product manuals