EasyManua.ls Logo

dbx 160 - Page 9

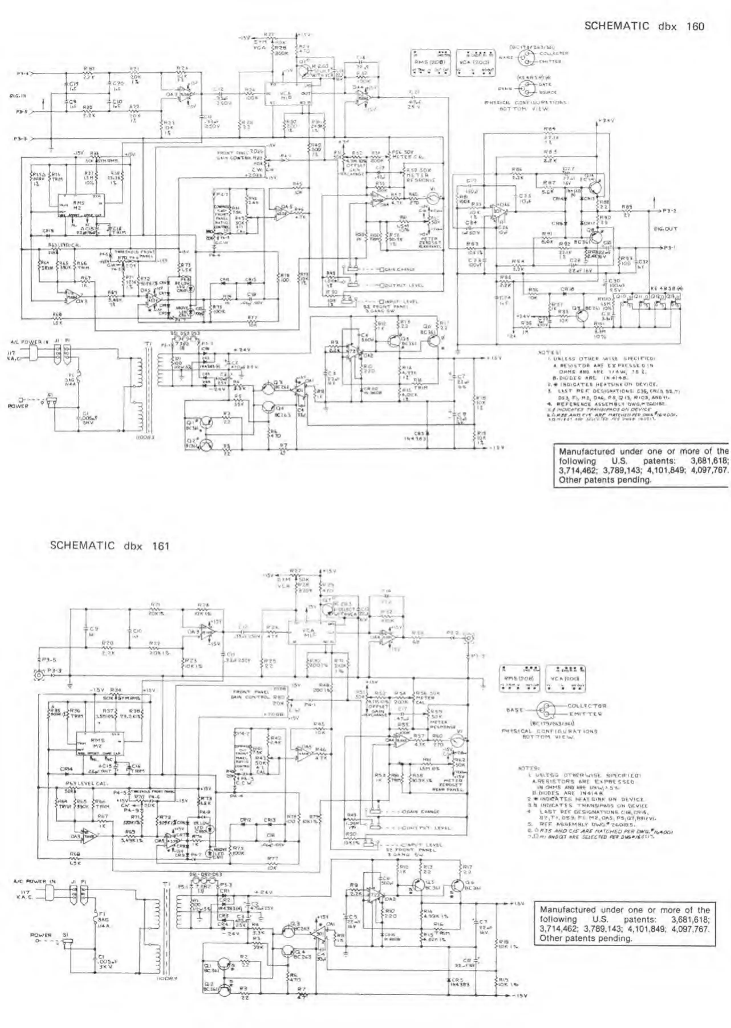
dbx 160
13 pages
Print Icon
To Next Page IconTo Next Page
To Next Page IconTo Next Page
To Previous Page IconTo Previous Page
To Previous Page IconTo Previous Page
Loading...
o--
POWfff
tit
-V*v
1
BU
4.S*K
•t
D i
U003J
»«
B?
**‘.T
8*(R
I)
W
-tS3
NOTtfcl
I.
UNLESS
OTHC» WISE VltCiriEOi
4. RESISTOR ARI IXMHWOltt
OHMS AND ABE I/4W, !t
t.
B. 0*001 C ABC IH *i*a.
}.« i nqi cate
4
mcatiimion device.
>.
t
AS T BE r. OCSI&«»T»OHtt!
CM,
CB/<\ SX.Ti
0S1, F», Ml,
OA4., PS,QH, OIO», ANOYl.
A. BCrCBCMCC ASSEMBLY
OWG.-MOI*?-
*
/
iHOCA’ts
r»anxi**ot
on 0€wcc
* &»st and
r t%
a*r
MartNfnnv
io«im **»
ituf’tv
nv c~»*m noon.
c«s«
<••4
^0
1
Manufactured under one or
more of the
following U.S. patents:
3,681,618;
3,714,462;
3,789,143; 4,101,849; 4,097,767.
Other patents
pending.
SCHEMATIC
dbx
161
STM
*SOK .
VCA
>*"•*
>>MH (aio
N7I
70KIX
mil
K ?4
•OK IX
ir
Crt.5
SUICT*C11
p
5
rio
P3-3
:»?3
I0<
IX
.M.I'/SOVi
4f»
5 CM
.33-»?50»
5??
V
m
C
,
A
c
*4
- J
R»l
200
IX
?0»
-15V BJ4
TOO!**
R37, RIB
i.SHim ?3.e«it
RMS
w?
.
cm4
.
-
ACI5
£
jLo*
:4_-r»*rT*
Ttrim
I BE] LEVEL CAL.
IN** Bi,3
Tern
r*x
L
5 TRIM CV*-f;
’‘.-1
"
t
^
_sLL
^
5.4^K 1 %
'•ON’ r**»Ei
OAiN CONTROL
R80
#>
«w;
J
r* I
c w
!2iL“J
,
w
DAS
R«e
7.4K
kMA PA1Wa-
-
50K
AM
**
4
1
I
i
P4 *
\
iSv 1
CCW
.I<v
-
•'V*
(CN
VX
j
wvaJ
CRt?
1
*
cm3
r^T
RT4
| 1
i-
rr
*
.frL<
.04-T
©Or
0
.IOOK
R77
I0K
U
^* *>K
J0«
W-w^*
-«TH
1 ?4.m«X 200* CAi
__
lorrtfY
_
,
* «-* IN
n
,SPV»
^T_.
*>K
DC(
"*’!•
.?/
'U»Ol
p>7j
«»*
770
LSM °l
lrjjw
JbSB
.iSv
J9C3KIX
NfttB
ntOMT
t <
.*
K t
t
RMStfOB^ VC A (?OC*
••••
ioo
<
oki
x;
/*»
(r50
•OKIX
OGA»*
<JI*UY PUT
>1X1.
0'«Put UVU
U moHY P**tL
1 &
**.&
SW
BASE
/>>A COLLECTOR
EMITTER
iBC 179/70/
IsO
RBYSICAL CONTIGU
#»T IONS
BOTTOM view.
NOTES:
I.
UNLESS OTHERWISE SPECIFIEO!
A. RESISTORS
ABE EXPRESSED
IN OMMS AND ARE
1/4W-M
B. DIODES ARE IN4I48
2
«•
INDICATES
MEAT
SINK
ON DEVICE
3 »» INDICATES
TRANSIPAOS ON
DEVICE
A LAST
REE DESIGNATIONS. CI8, CPIS,
S7.XI, 0S3, FI, M?,OA5,
PS^T.RBWVI.
3. REF ASSEMBLY
DWG
*
7GOIB
3.
6.
A
R35 AND
C/S ADC MATCHED PCD DWG.
0
l(.ACOI
7.
Um> ANDQ1
ARC SClCCTfD PC*
D*H*/t60n.
A/C
BOWCR
IN Jl PI
117
"•'fW*
+ 24V.
34>l
I OC3W
I5f
*
Ol
*
C5
*V‘
\
|RiO
<720 A 3S* %X
Rib
::C7
27—*
WiV
<RB
ictfl
r”
»iS
Tmr
A 07K IX
^ •*
rib
i n r
cal;
2t.Oi¥
KR5
AOK
-
15V
Manufactured
under one or more of the
following
U.S. patents: 3,681,618;
3,714.462; 3,789.143;
4,101.849; 4.097,767.
Other patents
pending.

Related product manuals