EasyManua.ls Logo

Dea NET724N - Page 11

Dea NET724N
38 pages
Print Icon
To Next Page IconTo Next Page
To Next Page IconTo Next Page
To Previous Page IconTo Previous Page
To Previous Page IconTo Previous Page
Loading...
33
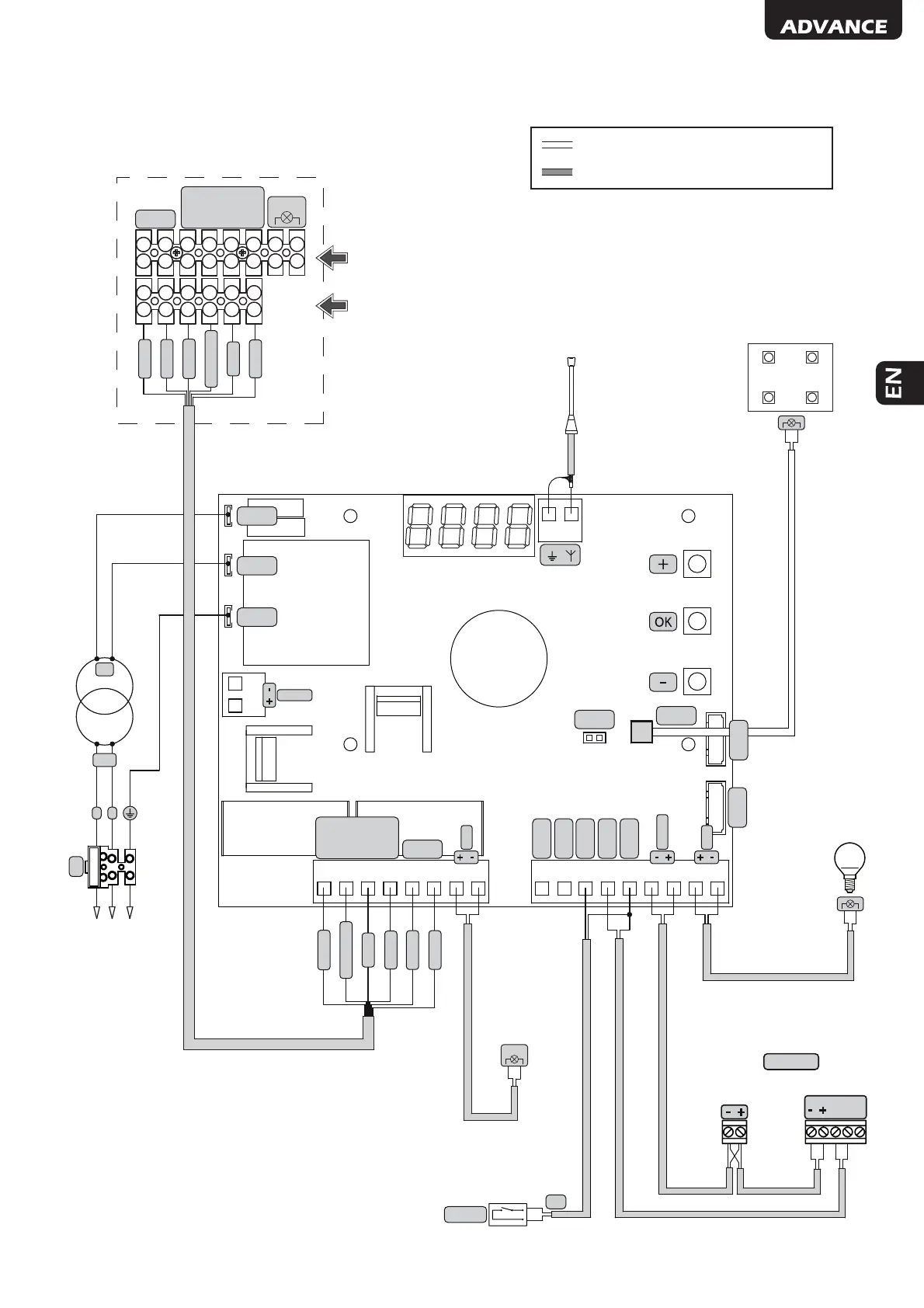
ADVANCE XL WIRING DIAGRAM
J4
178 9 13 14 15 1610 11 124567123
19 18
21
20
OUT 1
IN 4
IN 3
MOT 1
IN 2
IN 1
COM
OUT 2
+24V_ST
CON1
CON2
CON2
CON4
+24VAUX
ENC (M1)
ENC A
+
ENC B
-
RG58
F1
POWER SUPPLY
230V~ 50Hz ±10%
H05VV-F 3x0,75mm
2
F
N
230V
25V
TX RX
COM
N.C.
N.O.
N.O.
START
2 x 0,5 mm
2
PHOTO 1
OPEN GATE
WARNING LIGHT
24V max 5W
COURTESY LIGHT
2 x 0,5 mm
2
2 x 0,5 mm
2
2 x 0,5 mm
2
2 x 0,5 mm
2
FLASHING LIGHT
24V max 5W
2 x 0,5 mm
2
CON5
2 x 0,5 mm
2
FLASH
CON3
(2x1,5 mm
2
+ 4x0,5 mm
2
)
PLUG CABLE/ADV (cod. 397321)
INTERNAL WIRING SET BY THE FACTORY
EXTERNAL WIRING SET BY THE INSTALLER
MOT 1
MOT 1
FLASH
Plug
Motor Terminal Block
ENC
ENC A
+
ENC B
-
YELLOW
GREY
BROWN
WHITE
GREEN
PINK
YELLOW
GREY
BROWN
WHITE
GREEN
PINK

Related product manuals