EasyManua.ls Logo

Dea REV Series - Page 6

Dea REV Series
26 pages
Print Icon
To Next Page IconTo Next Page
To Next Page IconTo Next Page
To Previous Page IconTo Previous Page
To Previous Page IconTo Previous Page
Loading...
23
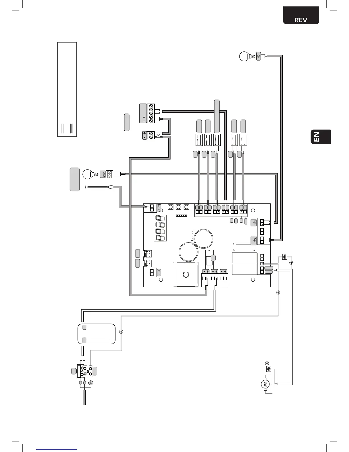
WIRING DIAGRAM FOR 24V
7 98 10 11 12 13 14 15
16 17
18
19
20
21
22
23
24
25
26
27
28
29
31 3033 32
2
1
4
3
6
5
ABAB
FLASHWARNING
J5 J9
F2
INTERNAL WIRING SET BY THE FACTORY
EXTERNAL WIRING SET BY THE INSTALLER
N.O.
N.O.
PED
N.C.
FCA1
N.C.
RG58
N.C.
START
FCC1
TX RX
PHOTO 1
OPEN GATE WARNING LIGHT
24V 15w
FLASH
LUMY/24A/S
max 15W
COM
N.O.
COM
N.O.
COM
N.C.
COM
N.C.
COM
N.C.
COM
N.C.
2 x 1 mm
2
2 x 0,5 mm
2
2 x 0,5 mm
2
2 x 0,5 mm
2
2 x 0,5 mm
2
2 x 0,5 mm
2
2 x 0,5 mm
2
2 x 0,5 mm
2
2 x 0,5 mm
2
COM
N.C.
N.O.
CON1
230V
22V
F
N
TRANSFORMER
230V/22V
POWER SUPPLY
230V~ 50Hz ±10%
F1
SAFETY (Only if needed)
RED
BLUE
Brown
Blue
Black
Blue

Other manuals for Dea REV Series

Related product manuals