EasyManua.ls Logo

Dehler 34 - Page 33

Dehler 34
62 pages
Print Icon
To Next Page IconTo Next Page
To Next Page IconTo Next Page
To Previous Page IconTo Previous Page
To Previous Page IconTo Previous Page
Loading...
Yacht Manual DEHLER 34
33 - 62
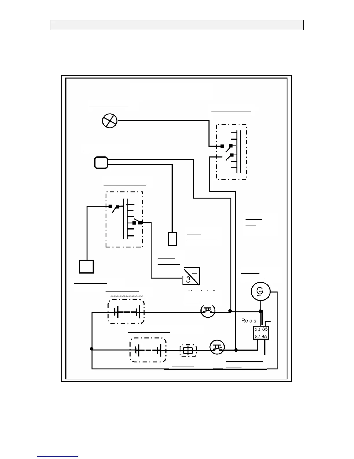
General consumers
This particularly includes the interior lighting with sockets. All lights have an integral switch
so that it is possible to use the electricity only where required.
Relay
s
Wiring Diagram Dehler 34
Navigation lights
12V Switchboard
Instrument panel
230V Switchboard
Battery
field
Diesel
Terminal box
System
appliance
14 V DC
Alternator
230V Landline
Starter battery
Engine main
switch
Consumer battery
Fuse box
Consumer main
switch

Table of Contents

Other manuals for Dehler 34

Related product manuals