EasyManua.ls Logo

dehn DEHNrecord SD - Page 23

dehn DEHNrecord SD
70 pages
Print Icon
To Next Page IconTo Next Page
To Next Page IconTo Next Page
To Previous Page IconTo Previous Page
To Previous Page IconTo Previous Page
Loading...
L1
L2
L3
N/PEN
5
6 4
3
11 14 12
SPD
300 V CAT IV
DRC SD DRC SD SCS 100 DRC SD RCS 1000
Page 23 from 69
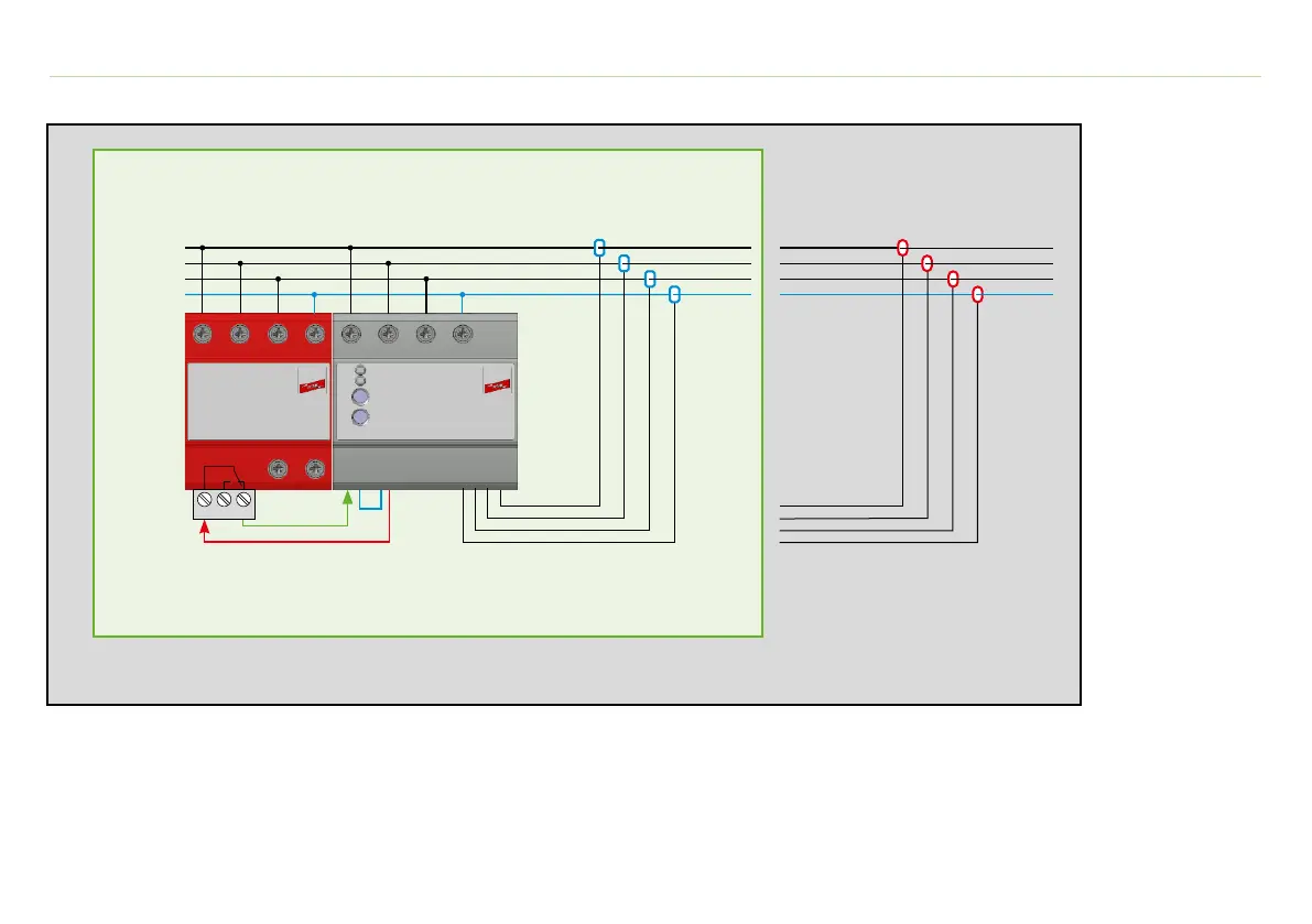
6. Mounting
Example:
Installation of the DEHNrecord SD with an SPD in an environment with overvoltage category IV.
In the protection area of the SPD (green area), the measurement category 300 V CAT III required for the DEHNrecord SD is achieved.
At the same time, the DEHNrecord SD monitors the functionality of the SPD via its remote signalling contact.
Current measurement is optionally possible with split core current sensors (DRC SD SCS 100) or Rogowski coils (DRC SD RCS 1000).
300 V CAT III in the protection area of the SPD

Table of Contents