EasyManua.ls Logo

Deif PPU-3 - Basic Wiring for GPC-3 and PPU-3

Deif PPU-3
23 pages
Print Icon
To Next Page IconTo Next Page
To Next Page IconTo Next Page
To Previous Page IconTo Previous Page
To Previous Page IconTo Previous Page
Loading...
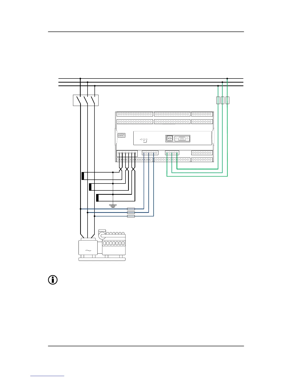
3.2.2 Basic wiring for GPC-3 and PPU-3
AC wiring
L1
L2
L3
S1
S2
S1
S2
S1
S2
GB
U L1
U L2
U L3
U L3
U L2
U L1
73
74
75
76
77
78
79
81
83
85
87
89
787776757473 96 979594929190 9389888785 8683 8482818079
727169 70686765 66626359 60 615856 575553 54 645251504947464443 45 4841403837 39 42
Service port
Display
Power
Self check ok
Alarm inhibit
G
For further information, please refer to the document "Installation Instructions".
ML-2 quick start guide 4189340603 UK Getting started
DEIF A/S Page 13 of 23

Other manuals for Deif PPU-3

Related product manuals